Curiosii for ever!
: Car repair manuals for everyone.
Home
>>
Chevy Truck
>>
1999
>>
W 3500 Tiltmaster L4-4.8L DSL Turbo
>>
Repair and Diagnosis
>>
Powertrain Management
>>
Computers and Control Systems
>>
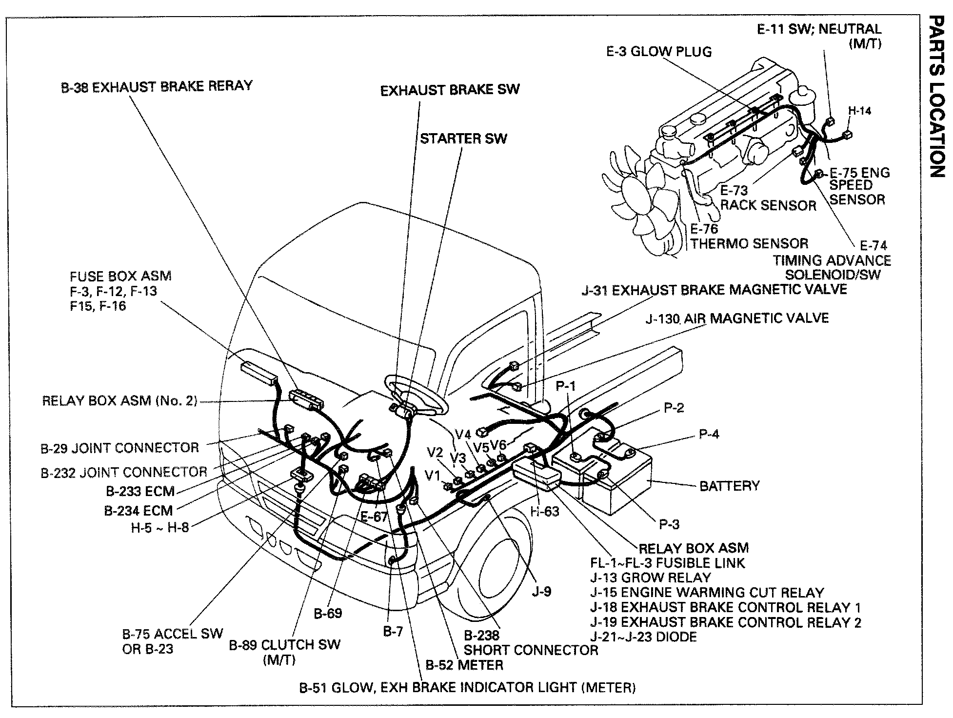
Locations
Computers and Control Systems: Locations