Curiosii for ever!: Car repair manuals for everyone.

Manifold Pressure/Vacuum Sensor: Service and Repair





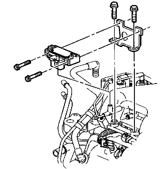
REMOVAL PROCEDURE

CAUTION: Refer to Battery Disconnect Caution in Service Precautions.

1. Disconnect the negative battery cable.
2. Remove the attaching bolt/screws.
3. Disconnect the MAP sensor electrical connector.
4. Disconnect the MAP inlet vacuum hose.
5. Remove the MAP sensor from the bracket

INSTALLATION PROCEDURE
1. Install the MAP sensor to the bracket
2. Connect the MAP inlet vacuum hose.
3. Connect the MAP sensor electrical connector

CAUTION: Refer to Battery Disconnect Caution in Service Precautions.

4. Reconnect the negative battery cable.