Curiosii for ever!
: Car repair manuals for everyone.
Home
>>
Chevy Truck
>>
1999
>>
Venture V6-3.4L VIN E
>>
Repair and Diagnosis
>>
Diagrams
>>
Electrical Diagrams
>>
Radio, Stereo, and Compact Disc
>>
Video System Schematics
>>
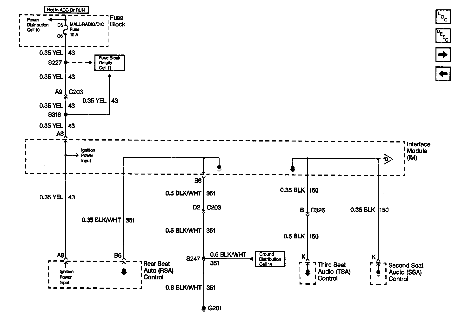
Interface Module
Interface Module
Video System Schematics (Interface Module):