Curiosii for ever!: Car repair manuals for everyone.

Scan Tool Testing and Procedures















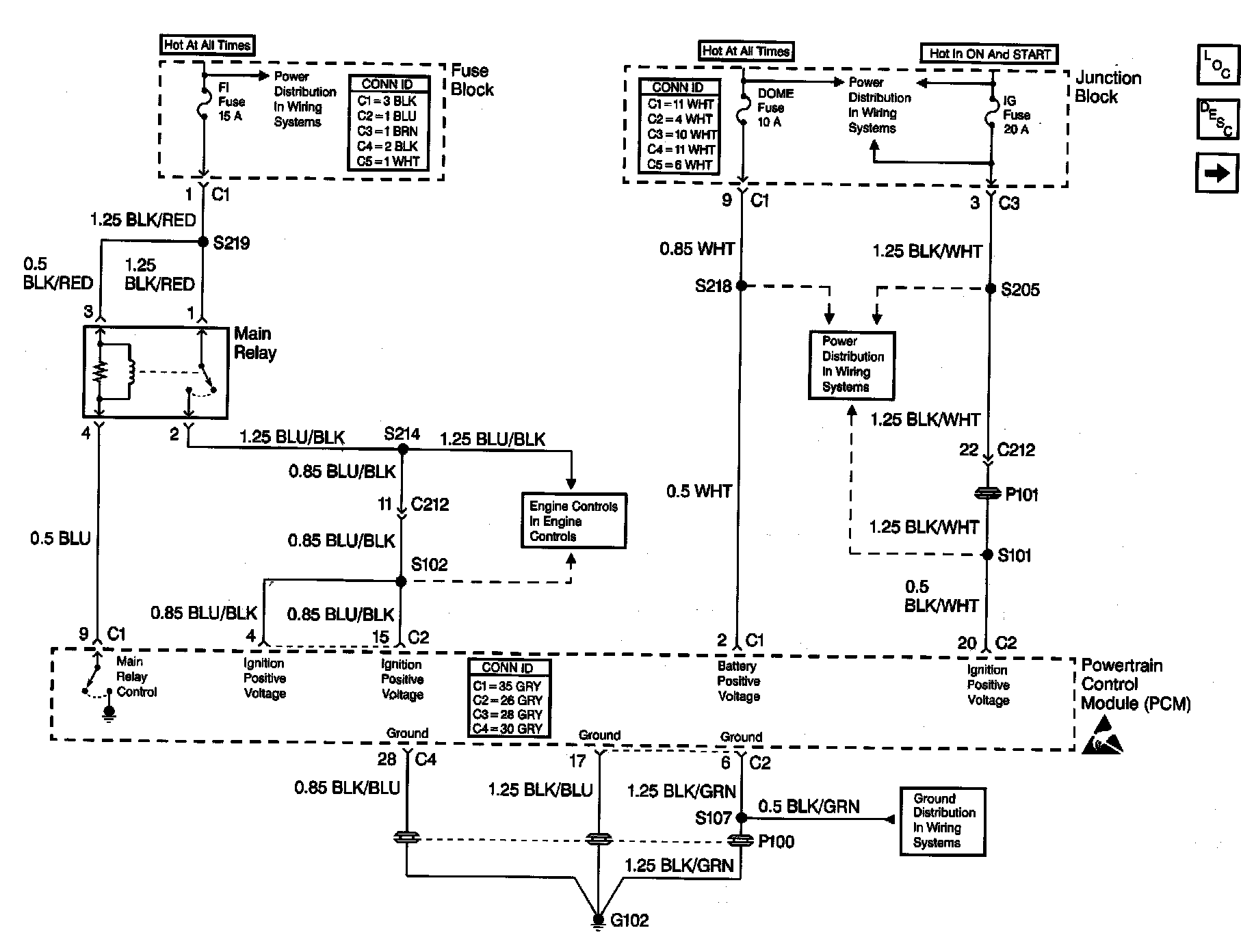
Circuit Description
The provision for communicating with the Powertrain Control Module (PCM) is the Data Link Connector (DLC). The DLC is located under the instrument panel. The DLC is used to link a scan tool to the PCM serial data stream. Some common uses of the scan tool are listed below:
^ Identifying the stored Diagnostic Trouble Codes (DTCs)
^ Reading the serial data stream
^ Clearing the DTCs
^ Storing the Freeze Frame data

Diagnostic Aids
Some scan tools may require an external power supply. Make sure that your scan tool is using the correct power feed.

Check that the correct application (model year, carline, VIN code) has been selected on the scan tool. If communications are still not established, try the scan tool on another vehicle in order to ensure that the scan tool or the connecting cables are not the cause of the malfunction.

Any circuitry that is suspect to an intermittent complaint should be thoroughly inspected for any of the following conditions:
^ Backed out terminals
^ Improper mating of terminals
^ Broken electrical connector locks
^ Improperly formed or damaged terminals
^ Faulty terminal to wire connections
^ Physical damage to the wiring harness
^ Broken conductor inside the wire insulation
^ Corrosion of electrical connections, splices, or terminals

Test Description
The numbers below refer to the step numbers in the diagnostic table.
1. The Powertrain OBD System Check prompts the technician to complete some basic checks and store the freeze frame data on the scan tool if applicable. This creates an electronic copy of the data taken when the fault occurred. The information is then stored in the scan tool for later reference.
2. This step checks whether the scan tool is able to turn ON.
3. This step checks if the scan tool can establish communication on the PCM serial data line.
5. This step checks for B+ at the DLC.
6. This step checks the ground circuits at the DLC.
9. This step checks for an open and/or shorted to ground serial data circuit, a shorted to battery positive serial data circuit, or for a faulty scan tool.
10. The PCM supplies a low current voltage on the serial data circuit. The normal circuit low current will NOT illuminate a test lamp. If the circuit is shorted to battery positive the higher current will illuminate the test lamp.
11. The scan tool may be damaged by high current flow on the serial data circuit at DLC terminal 7. Check the scan tool for proper operation on a known good vehicle that uses terminal 7 of the DLC for serial data communication.
13. This step checks for voltage in the ignition positive voltage circuit that supplies the PCM. An open in this circuit will disable the PCM and the main relay. The PCM will not provide serial data if the circuit is open.