Curiosii for ever!
: Car repair manuals for everyone.
Home
>>
Chevy Truck
>>
1999
>>
Tracker 2WD L4-2.0L VIN C
>>
Parts and Labor
>>
Starting and Charging
>>
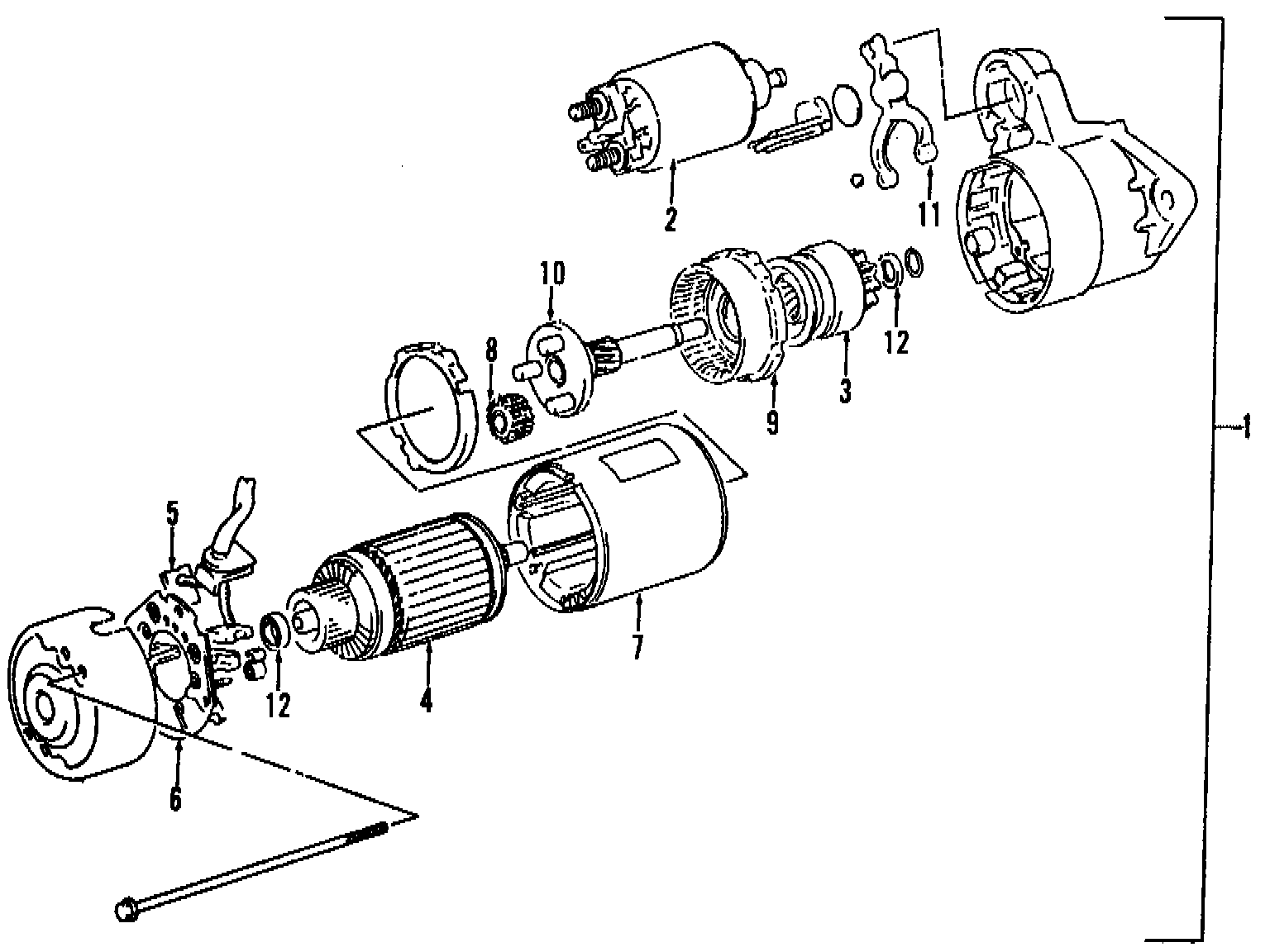
Starting System
>>
Images
Images
Starting System: