Curiosii for ever!
: Car repair manuals for everyone.
Home
>>
Chevy Truck
>>
1999
>>
Tracker 2WD L4-1.6L VIN 6
>>
Repair and Diagnosis
>>
Locations
>>
Component Locations
>>
Miscellaneous Components
>>
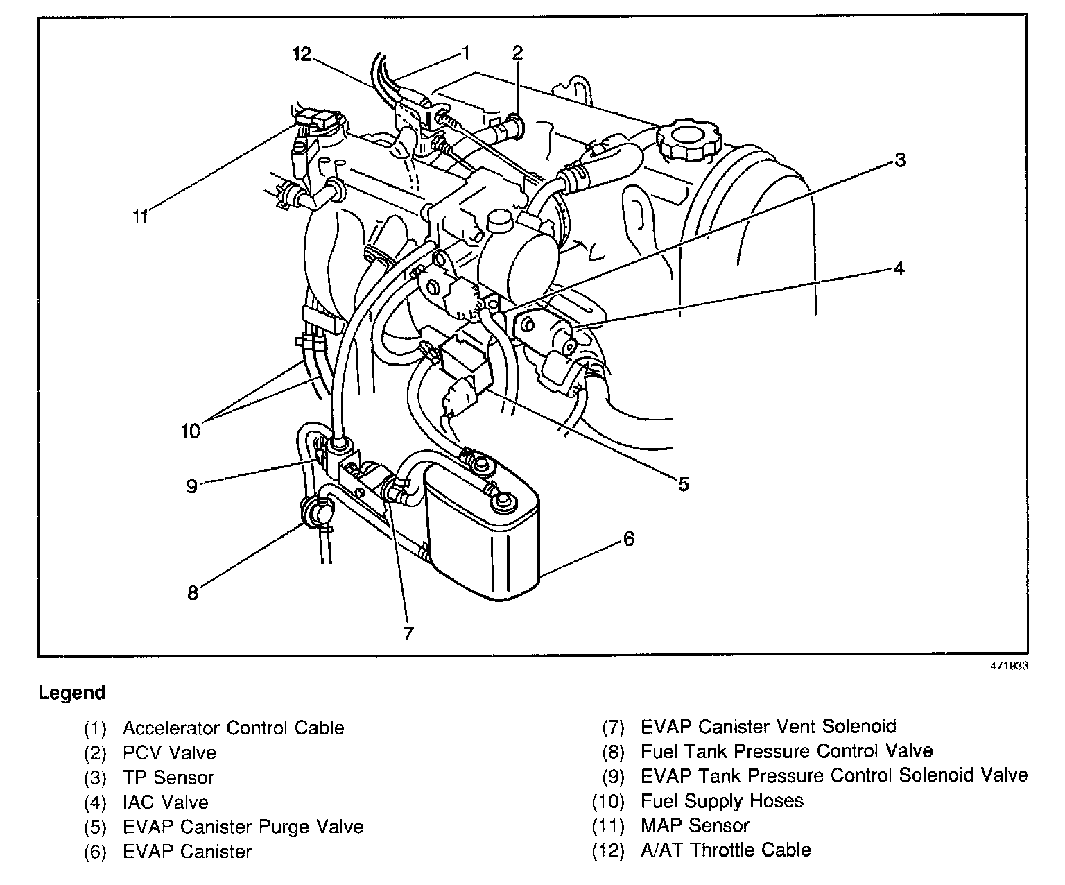
Accelerator Control Cable
Accelerator Control Cable