Curiosii for ever!
: Car repair manuals for everyone.
Home
>>
Chevy Truck
>>
1999
>>
S10/T10 P/U 2WD L4-2.2L VIN 4
>>
Repair and Diagnosis
>>
Relays and Modules
>>
Relays and Modules - Powertrain Management
>>
Relays and Modules - Computers and Control Systems
>>
Body Control Module
>>
Diagrams
>>
Electrical Diagrams
>>
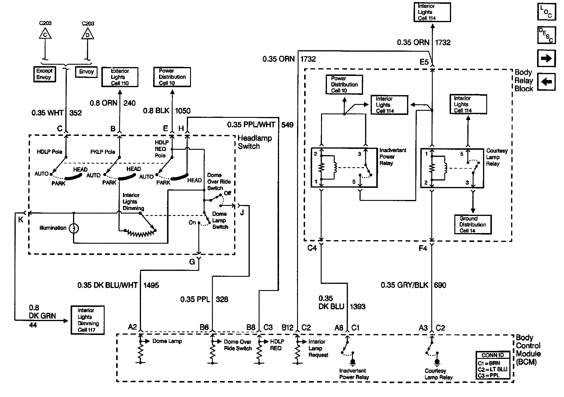
Headlamp SW, Inadvertent Power Relay and Courtesy Lamp Relay
Headlamp SW, Inadvertent Power Relay and Courtesy Lamp Relay
Body Control Module Schematics: Headlamp Switch, Inadvertent Power Relay And Courtesy Lamp Relay: