Curiosii for ever!
: Car repair manuals for everyone.
Home
>>
Chevy Truck
>>
1999
>>
S10/T10 P/U 2WD L4-2.2L VIN 4
>>
Repair and Diagnosis
>>
Relays and Modules
>>
Relays and Modules - Brakes and Traction Control
>>
Electronic Brake Control Module
>>
Locations
>>
Component Locations
>>
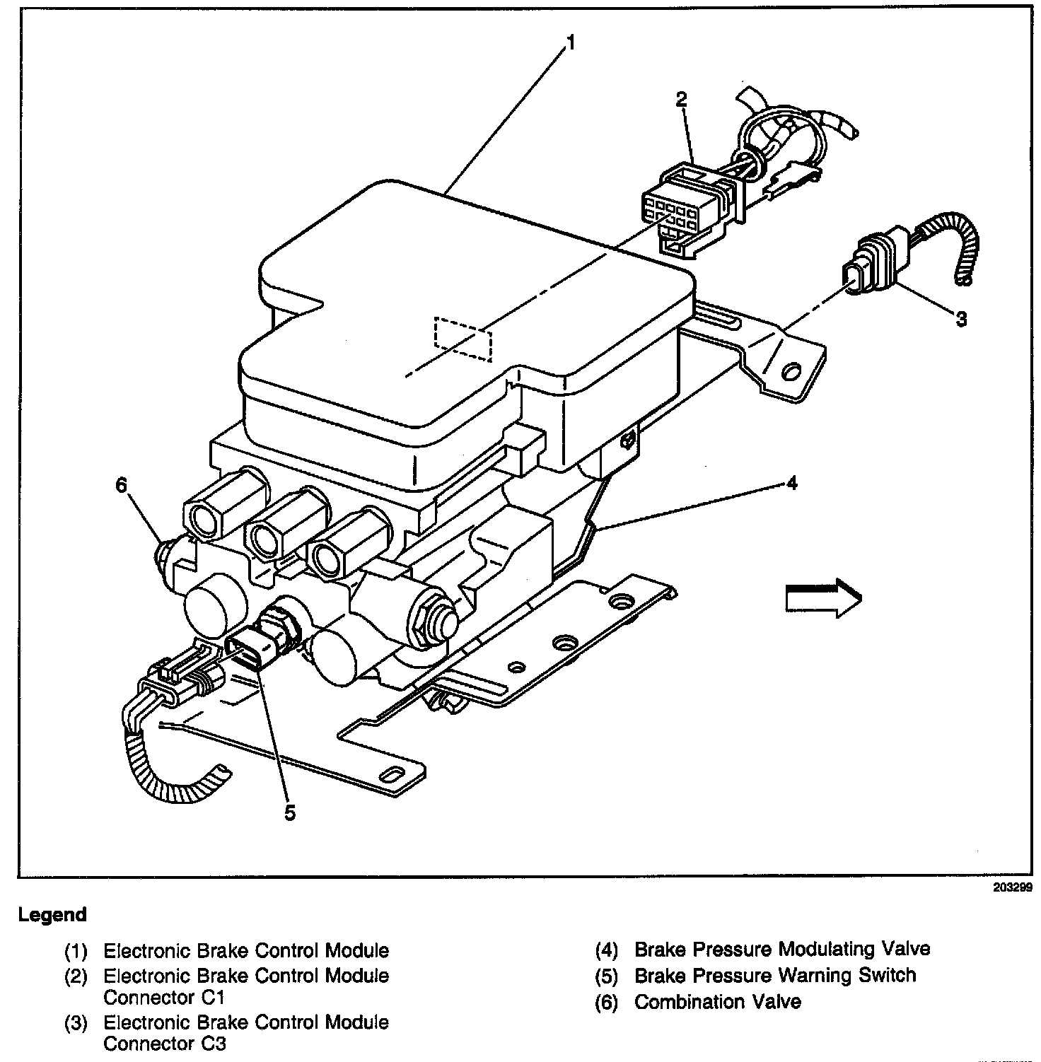
Electronic Brake Control Module) Connector C3 (2 Cavities)
Electronic Brake Control Module) Connector C3 (2 Cavities)
Electronic Brake Control Module (EBCM) Connector C3 (2 Cavities): The body harness connector, LH of the EBCM