Curiosii for ever!
: Car repair manuals for everyone.
Home
>>
Chevy Truck
>>
1999
>>
S10/T10 P/U 2WD L4-2.2L VIN 4
>>
Repair and Diagnosis
>>
Powertrain Management
>>
Transmission Control Systems
>>
Diagrams
>>
Electrical Diagrams
>>
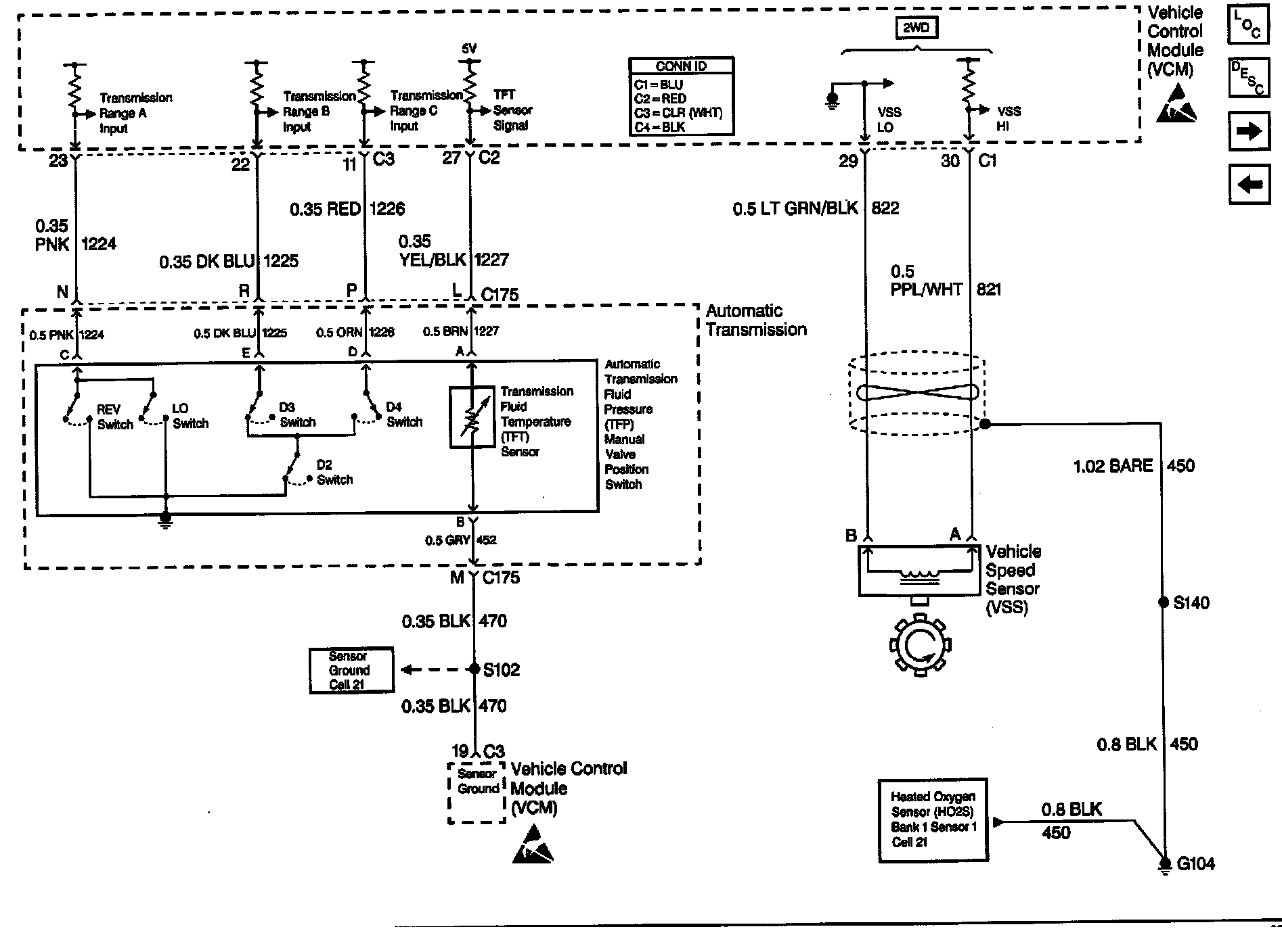
4.3L Switch Inputs and 2WD VSS Inputs
4.3L Switch Inputs and 2WD VSS Inputs