Curiosii for ever!: Car repair manuals for everyone.

A/C Compressor Control Circuit Diagnosis















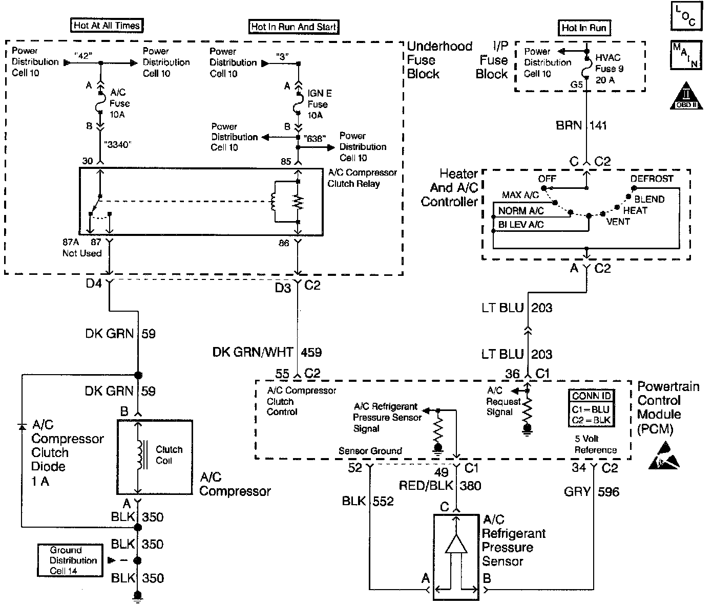
Circuit Description
The PCM receives an A/C request signal from the A/C selector switch. When A/C is requested, the Powertrain Control Module (PCM) provides a ground path to the A/C clutch relay control circuit. When the relay circuit is grounded, the A/C compressor clutch relay is energized. The PCM delays grounding the relay circuit for 0.3 second, so the PCM can adjust the engine idle RPM for the additional load.

The PCM will temporarily de-energize the A/C compressor clutch relay for one or more of the following conditions:
^ A hot engine restart.
^ A Wide Open Throttle, or TP sensor over 90%.
^ Engine RPM more than 6000 RPM.
^ During an Idle Air Control (IAC) valve reset. The A/C compressor clutch relay will remain de-energized when one or both of the following conditions exist:
^ A DTC P0530 is set.
^ There is no A/C request signal to the PCM.

Refer to A/C diagnosis for more information on the A/C refrigerant systems.

Diagnostic Aids
^ If DTC P0530 is set, do not use this table.
^ An A/C refrigerant pressure outside the range of 43 to 428 psi, will cause the A/C compressor clutch to be disabled by the PCM. Observe the A/C refrigerant pressure parameter on the scan tool for 2 minutes with the engine idling and A/C ON. If pressure goes out of range, refer A/C Diagnosis.

Test Description
The numbers below refer to numbers on the diagnostic table.
1. The Powertrain OBD System Check prompts the technician to complete some basic checks and store the freeze frame and failure records data on the scan tool if applicable. This creates an electronic copy of the data taken when the malfunction occurred. The information is then stored on the scan tool for later reference.
3. The PCM will only energize the A/C relay when the engine is running. This test will determine if the relay or control circuit is malfunctioning.
4. By disconnecting the relay, the system can be divided into two sections. If the clutch does not disengage, the malfunction lies on the compressor side of the system.
6. A test lamp that does not illuminate indicates that the A/C compressor clutch relay is malfunctioning.
8. This step determines if the system is normal or if the A/C refrigerant pressure sensor reading is out of range.
9. This step determines if the signal is reaching the PCM from the A/C control panel. The signal should only be present when an A/C mode or defrost mode has been selected.
21. This step determines if the A/C refrigerant pressure sensor is out of range causing the A/C compressor clutch to be disabled or if the A/C charge is to low to allow A/C operation.
22. Replacement PCMs must be programmed and the Crankshaft Position System Variation Learn Procedure must be performed. Refer to the latest Techline information for PCM programming.
24. Connecting circuits 59 and 459 together bypasses the PCMs control of the A/C compressor clutch. An A/C compressor clutch that fails to engage at this point indicates that the malfunction is in circuit 59, the compressor coil or compressor coil ground circuit.
26. With the engine running and the A/C relay commanded ON, the PCM should ground the A/C relay control circuit. This will also illuminate the test light.
36. If no malfunctions have been found at this point, refer to Diagnostic Aids for additional checks and information.