Curiosii for ever!
: Car repair manuals for everyone.
Home
>>
Chevy Truck
>>
1999
>>
S10/T10 P/U 2WD L4-2.2L VIN 4
>>
Repair and Diagnosis
>>
Powertrain Management
>>
Computers and Control Systems
>>
Relays and Modules - Computers and Control Systems
>>
Body Control Module
>>
Diagrams
>>
Electrical Diagrams
>>
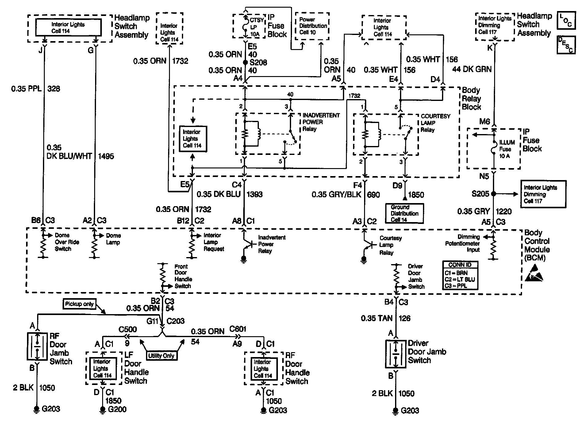
DTC B2617 and B2618 - Courtesy Lamp Circuit)
DTC B2617 and B2618 - Courtesy Lamp Circuit)
Body Control Module Schematics: DTC B2617 And B2618 - Courtesy Lamp Circuit: