Curiosii for ever!
: Car repair manuals for everyone.
Home
>>
Chevy Truck
>>
1999
>>
S10/T10 P/U 2WD L4-2.2L VIN 4
>>
Repair and Diagnosis
>>
Diagrams
>>
Electrical Diagrams
>>
Powertrain Management
>>
Computers and Control Systems
>>
Body Control Module
>>
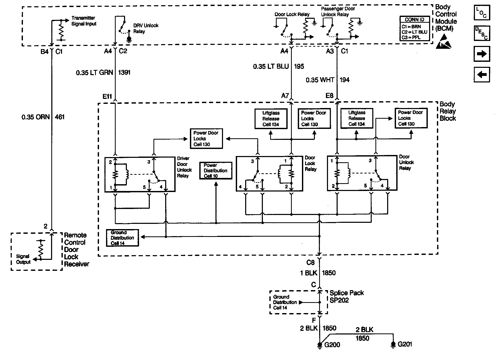
Door Lock/Unlock Relays and Remote Control Door Lock Receiver
Door Lock/Unlock Relays and Remote Control Door Lock Receiver
Body Control Module Schematics: Door Lock/Unlock Relays And Remote Control Door Lock Receiver: