Curiosii for ever!
: Car repair manuals for everyone.
Home
>>
Chevy Truck
>>
1999
>>
S10/T10 P/U 2WD L4-2.2L VIN 4
>>
Repair and Diagnosis
>>
Diagrams
>>
Electrical Diagrams
>>
Heating and Air Conditioning
>>
System Diagram
>>
HVAC System - Automatic
>>
HVAC Compressor Control Schematics
>>
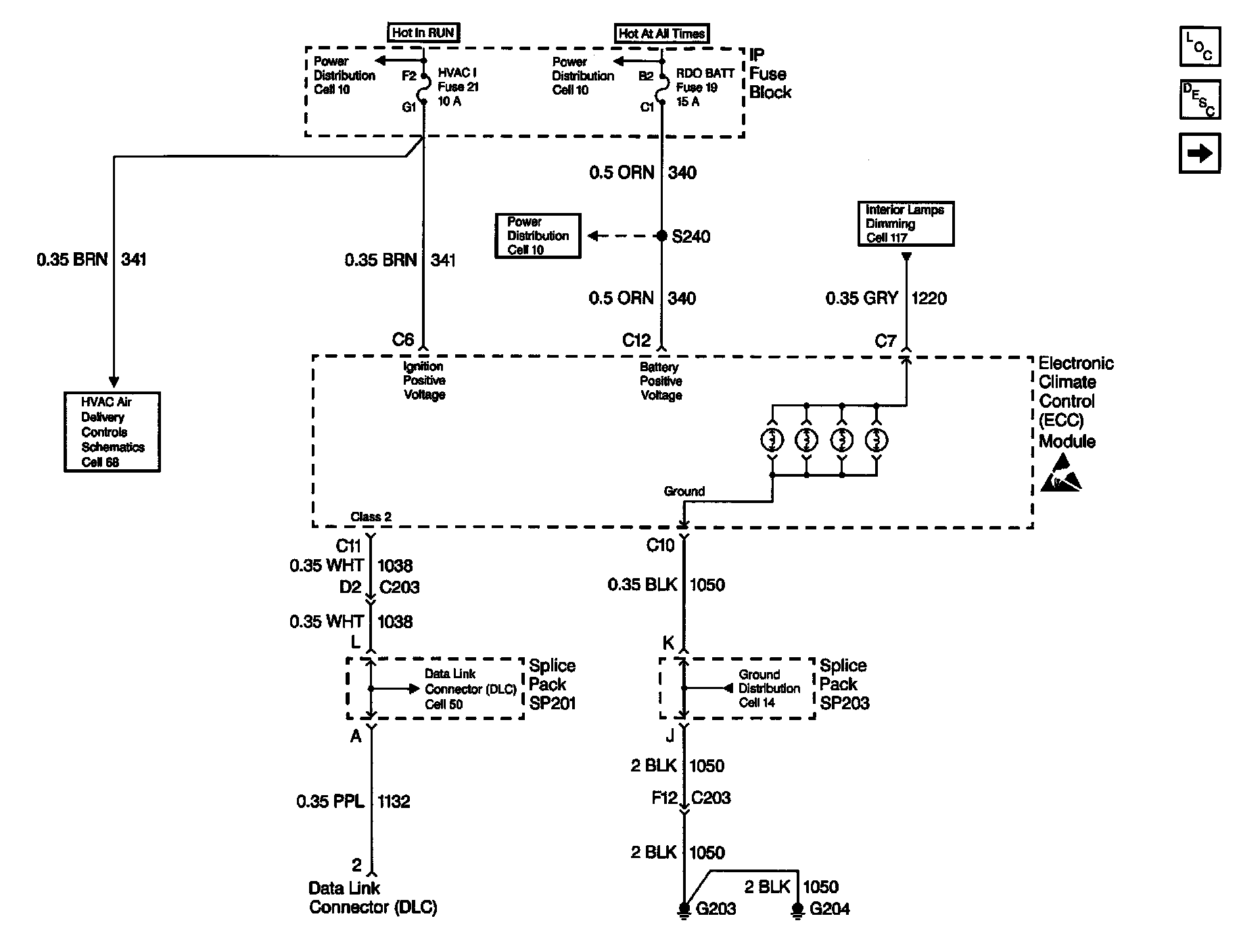
ECC Module, Power and Ground
ECC Module, Power and Ground
HVAC Compressor Control Schematics: ECC Module, Power And Ground: