Curiosii for ever!
: Car repair manuals for everyone.
Home
>>
Chevy Truck
>>
1999
>>
S10/T10 P/U 2WD L4-2.2L VIN 4
>>
Repair and Diagnosis
>>
Diagrams
>>
Electrical Diagrams
>>
Cruise Control
>>
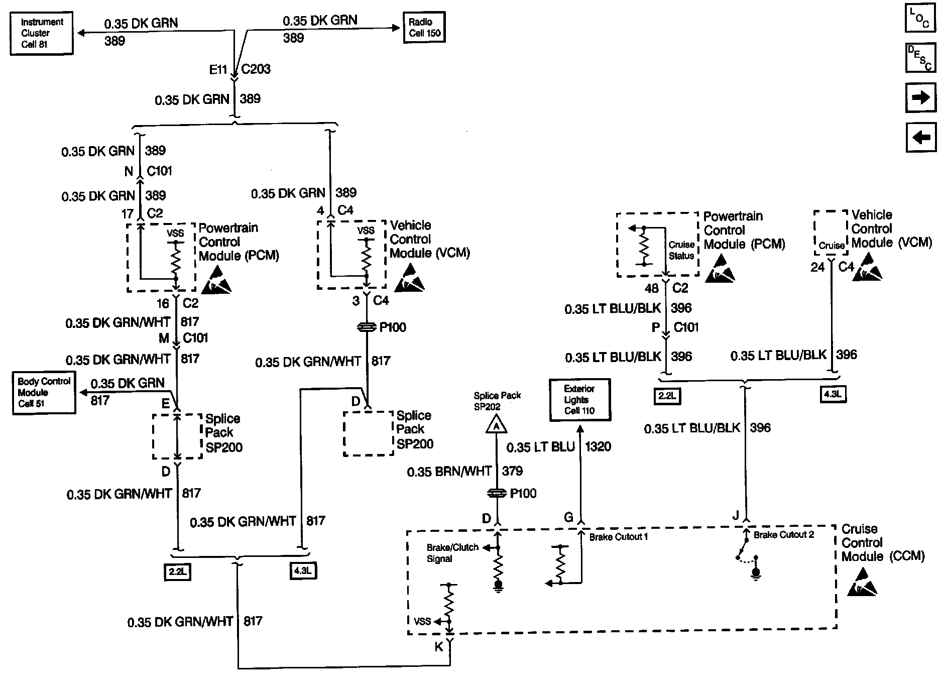
Cruise Control Module and PCM/VCM
Cruise Control Module and PCM/VCM
Cruise Control Schematics: Cruise Control Module And PCM/VCM: