Curiosii for ever!
: Car repair manuals for everyone.
Home
>>
Chevy Truck
>>
1999
>>
Express 1/2 Ton Van V6-4.3L VIN W
>>
Repair and Diagnosis
>>
Diagrams
>>
Exploded Views
>>
Engine
Engine
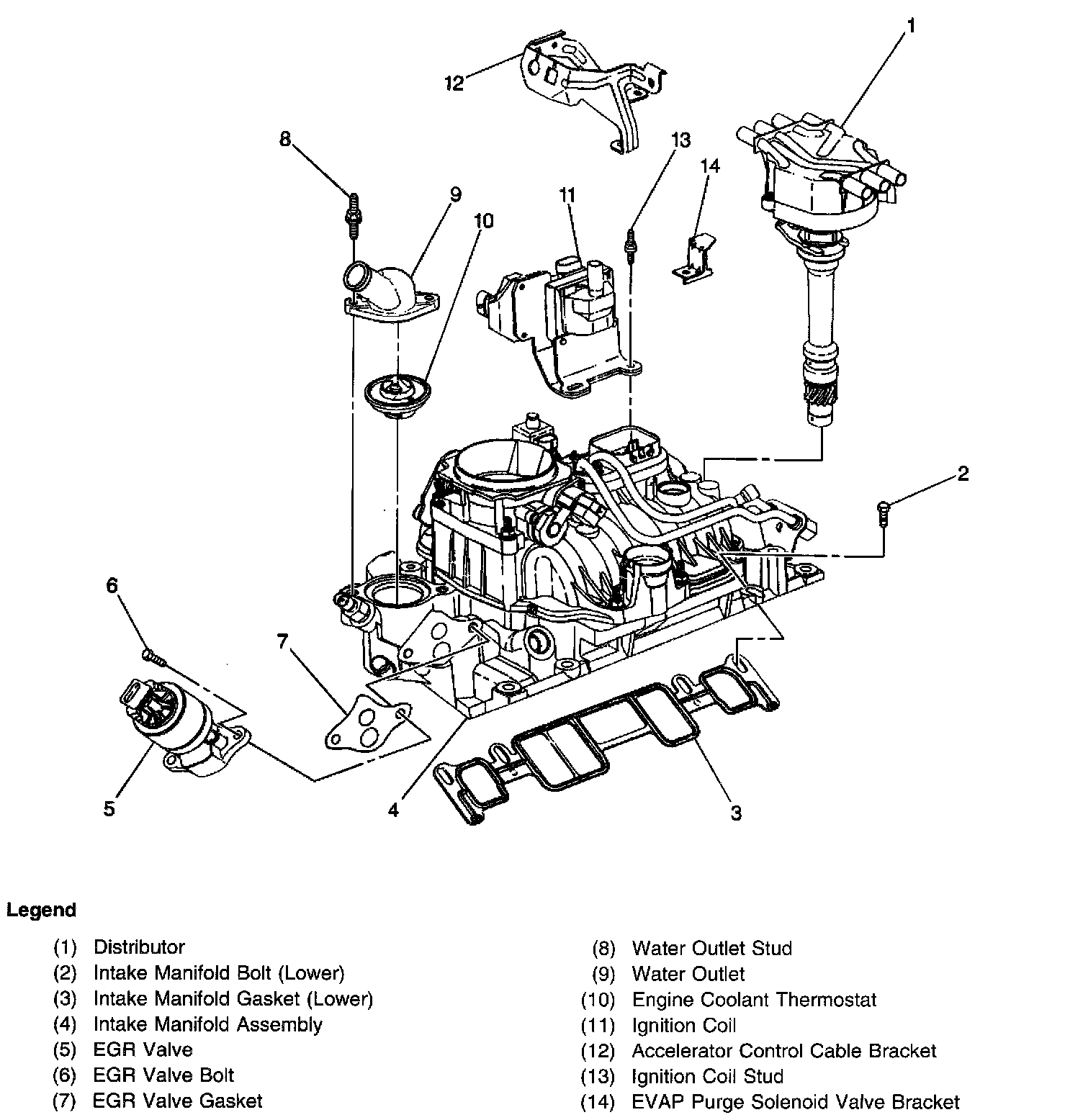
Upper and Lower Intake Manifold View
Upper Engine View 1
Upper Engine View 2
Lower Engine View 1
Lower Engine View 2