Curiosii for ever!: Car repair manuals for everyone.

Knock Sensor: Service and Repair

REMOVAL PROCEDURE





CAUTION: Refer to Battery Disconnect Caution In Service Precautions.

1. Disconnect the negative battery cable.
2. Remove the engine cover.
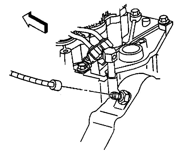
3. Disconnect the knock sensor harness connector.




4. Remove the knock sensor.

INSTALLATION PROCEDURE





NOTE: Refer to Component Tightening Notice in Service Precautions.

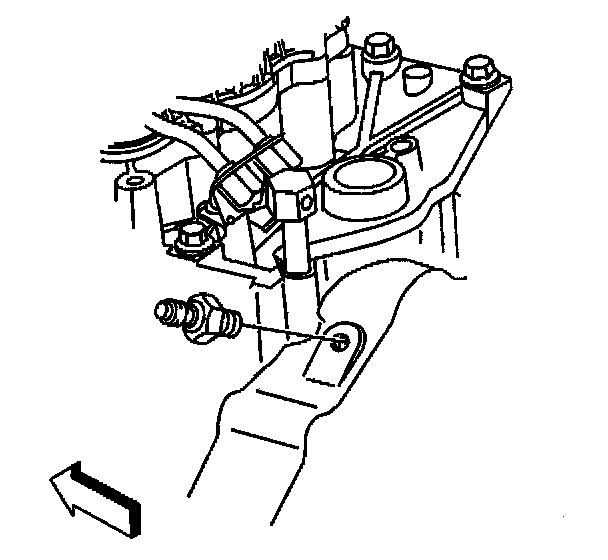
1. Install the knock sensor.

Tighten
Tighten the sender to 20 N.m (15 lb ft)




2. Connect the knock sensor harness connector.
3. Install the engine cover.
4. Connect the negative battery cable.