Curiosii for ever!: Car repair manuals for everyone.

Fuel Tank Pressure Sensor: Service and Repair





REMOVAL PROCEDURE

CAUTION: Refer to Battery Disconnect Caution in Service Precautions.

1. Disconnect the negative battery cable.
2. Raise the vehicle.
3. Remove the fuel tank.
4. Disconnect the fuel tank pressure sensor electrical connector.
5. Remove the Modular fuel sender from the fuel tank.
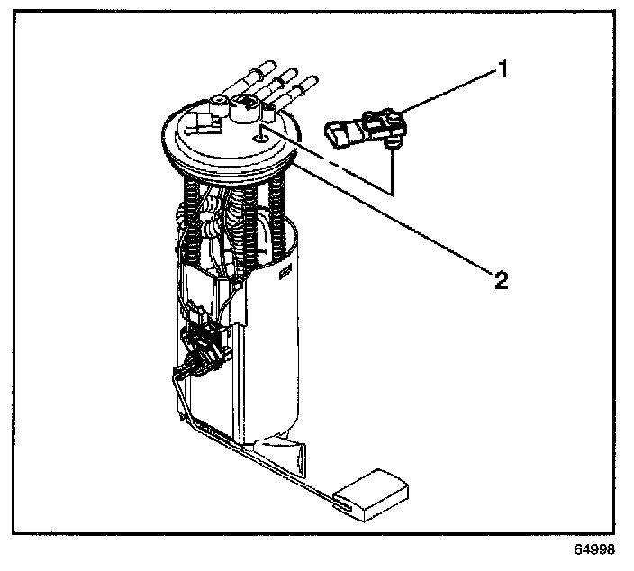
6. Remove the fuel tank pressure sensor (1) from the modular fuel sender (2).

INSTALLATION PROCEDURE
1. Install the fuel tank pressure sensor (1) to the modular fuel sender (2).
2. Install the fuel tank pressure sensor electrical connector.
3. Install the fuel tank.
4. Lower the vehicle.
5. Connect the negative battery cable.
6. Check for fuel leaks.