Curiosii for ever!
: Car repair manuals for everyone.
Home
>>
Chevy Truck
>>
1999
>>
Astro Van L AWD V6-4.3L VIN W
>>
Repair and Diagnosis
>>
Diagrams
>>
Electrical Diagrams
>>
Locks
>>
System Diagram
>>
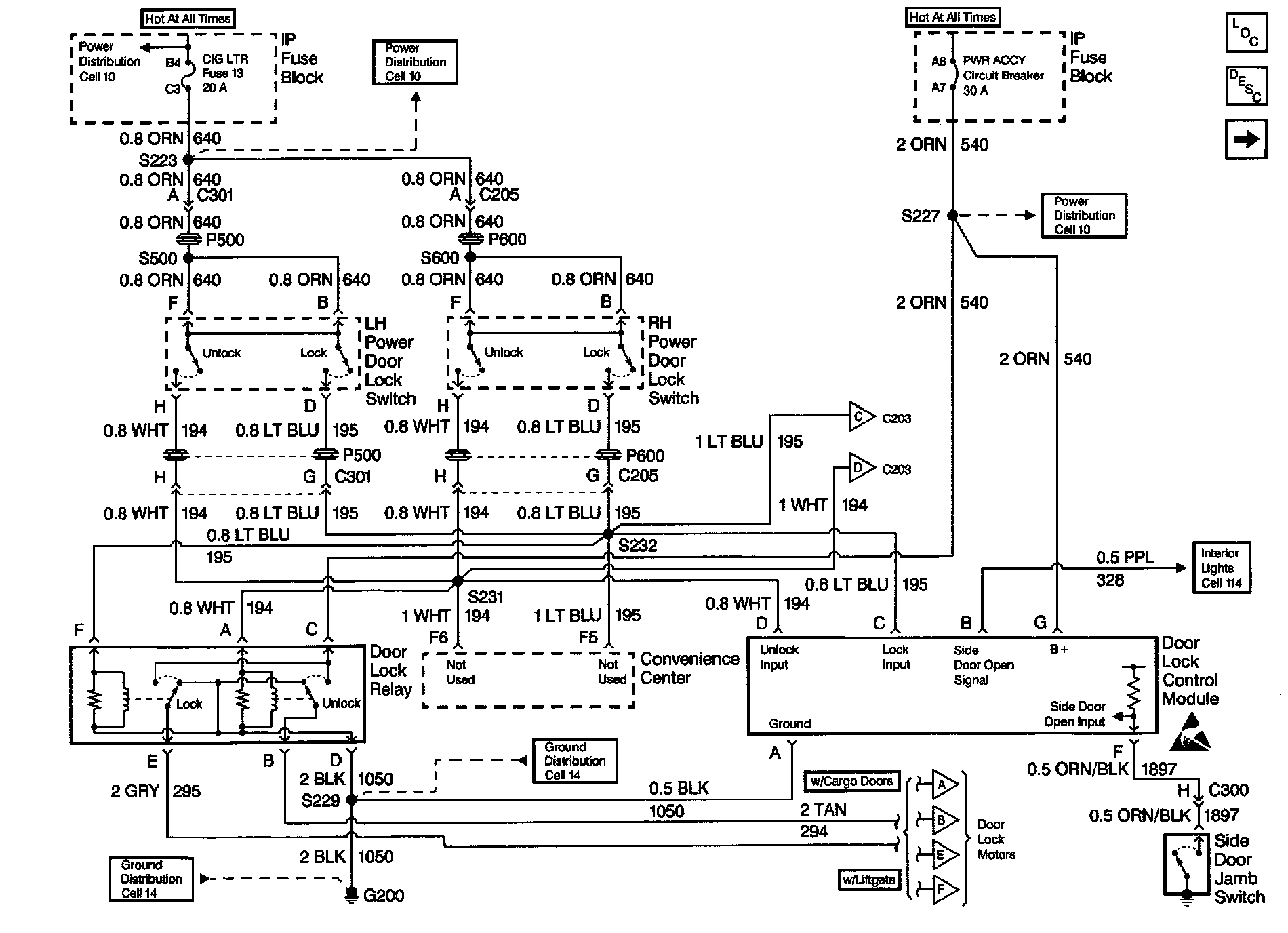
IP Fuse Block, Door Lock Relay, Door Lock Control Module
IP Fuse Block, Door Lock Relay, Door Lock Control Module
Door Locks Schematics: IP Fuse Block, Door Lock Relay, Door Lock Control Module: