Curiosii for ever!
: Car repair manuals for everyone.
Home
>>
Chevy Truck
>>
1998
>>
Tracker 4WD L4-1.6L VIN 6
>>
Repair and Diagnosis
>>
Diagrams
>>
Electrical Diagrams
>>
Powertrain Management
>>
System Diagram
>>
Transmission Controls
>>
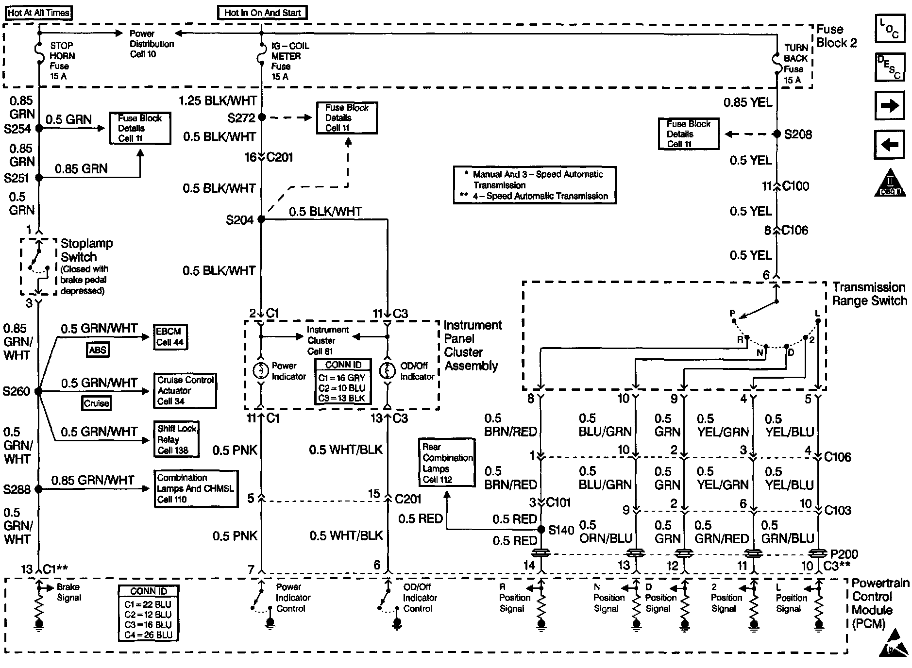
A/T Data Input 1
A/T Data Input 1