Curiosii for ever!: Car repair manuals for everyone.

HO2S 1 Replacement

CAUTIONS:
^ The heated oxygen sensors each use a permanently attached pigtail and connector. Do not remove the pigtail from the heated oxygen sensor. Damage or removal of the pigtail or the connector affects proper operation of the heated oxygen sensor. Handle the oxygen sensor carefully. Do not drop the oxygen sensor. Keep the in-line connector and the louvered end free of grease, dirt, or other contaminants. Do not use cleaning solvents of any type. Do not repair the wiring, the connector, or the terminals. Replace the oxygen sensor if the pigtail wiring, the terminals, or the connector is damaged. Proper oxygen sensor operation requires an external air reference. This external air reference is obtained by way of the oxygen sensor signal and heater wires. Any attempt to repair the wires, the connectors, or the terminals results in the obstruction of the air reference and degrades the oxygen sensor performance. A dropped oxygen sensor is a bad oxygen sensor.

^ The HO2S 1 may be difficult to remove at temperatures below 48° C (120° F). Use care in order to prevent any damage to the threads in the exhaust manifold.

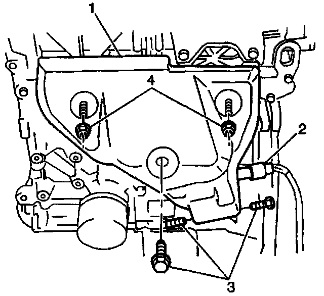
Removal Procedure



1. Disconnect the HO2S 1 electrical connector.
2. Remove the three bolts (3) from the exhaust manifold.
3. Remove the two nuts (4) from the exhaust manifold.
4. Remove the heat shield (1) from the exhaust manifold.




5. Remove the HO2S 1 (1) from the exhaust manifold.

NOTE: The HO2S 1 comes with an anti-seize coating on the new sensor. Take precautions in order to prevent removal of any of this coating prior to installation.

Installation Procedure
1. Install the HO2S 1 into the exhaust manifold and tighten to 40-46 Nm (29-34 lb ft).
2. Install the heat shield to the exhaust manifold.
3. Secure the heat shield with three bolts and two nuts. Tighten the heat shield nuts and bolts to 15 Nm (11 lb ft).
4. Connect the HO2S 1 electrical connector.