Curiosii for ever!
: Car repair manuals for everyone.
Home
>>
Chevy Truck
>>
1998
>>
Express 1/2 Ton Van V8-5.7L VIN R
>>
Repair and Diagnosis
>>
Specifications
>>
Mechanical Specifications
>>
Power Steering Pump
>>
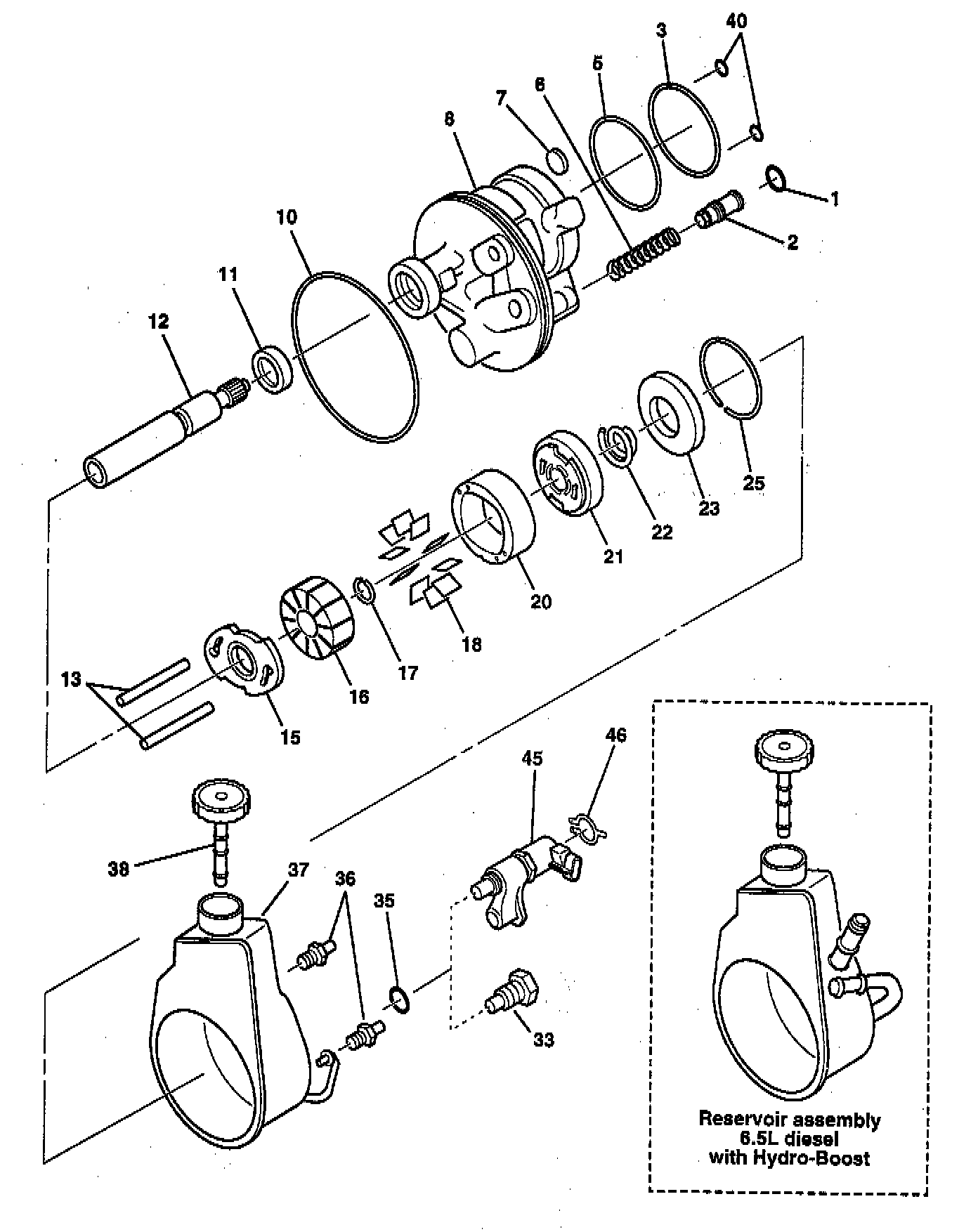
Unit Repair
Unit Repair
Front Pump Mounting Bolts 50 Nm (37 ft. lbs.)
Pump Fitting Assembly (33) 75 Nm (55 ft. lbs.)
Rear Pump Mounting Nut 50 Nm (37 ft. lbs.)
Steering Pump Stud (36) 35-80 Nm (29-59 ft. lbs.)