Curiosii for ever!
: Car repair manuals for everyone.
Home
>>
Chevy Truck
>>
1998
>>
Astro Van L AWD V6-4.3L VIN W
>>
Repair and Diagnosis
>>
Powertrain Management
>>
Computers and Control Systems
>>
Air Flow Meter/Sensor
>>
Locations
>>
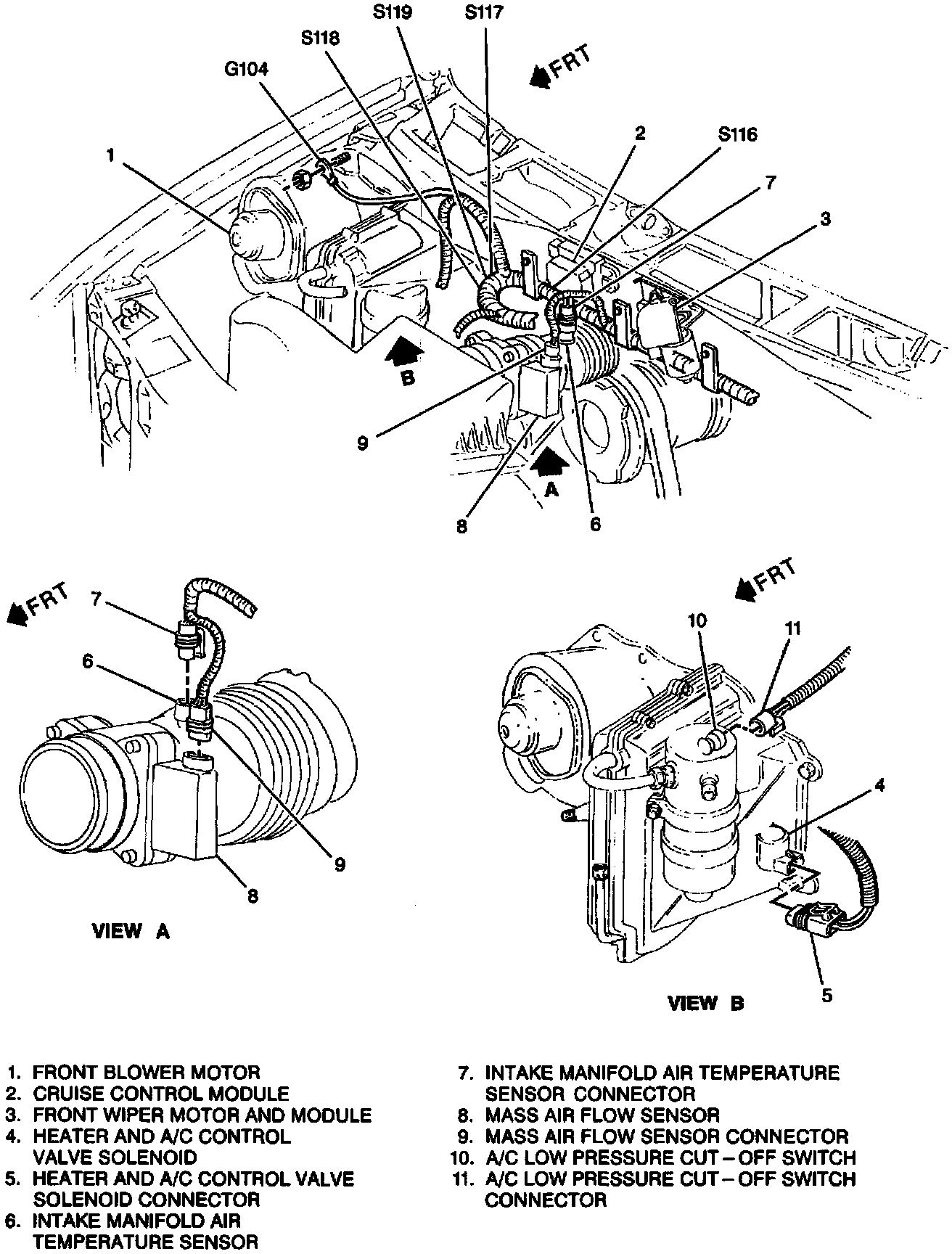
Component Locations
Component Locations
Engine/Center Of Front Of Dash Wiring: