Curiosii for ever!
: Car repair manuals for everyone.
Home
>>
Chevy Truck
>>
1997
>>
Venture V6-3.4L VIN E
>>
Repair and Diagnosis
>>
Relays and Modules
>>
Relays and Modules - Restraints and Safety Systems
>>
Air Bag Control Module
>>
Locations
>>
Component Locations
>>
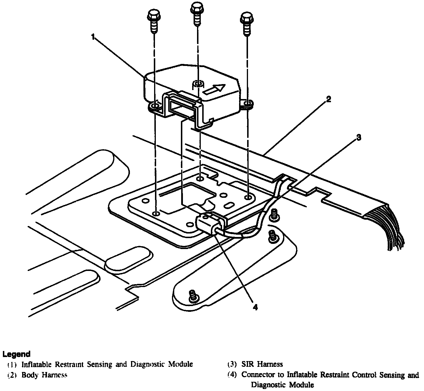
Sensing and Diagnostic Module (SDM)
Sensing and Diagnostic Module (SDM)
Below RH Front Passenger Seat: