Curiosii for ever!
: Car repair manuals for everyone.
Home
>>
Chevy Truck
>>
1997
>>
Venture V6-3.4L VIN E
>>
Repair and Diagnosis
>>
Powertrain Management
>>
Computers and Control Systems
>>
Engine Control Module
>>
Locations
>>
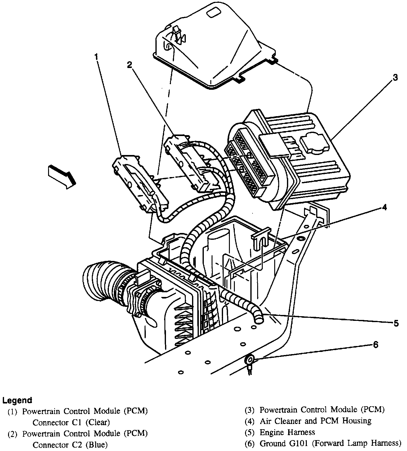
Component Locations
Component Locations
LF Of Engine Compartment: