Curiosii for ever!
: Car repair manuals for everyone.
Home
>>
Chevy Truck
>>
1997
>>
Venture V6-3.4L VIN E
>>
Repair and Diagnosis
>>
Powertrain Management
>>
Computers and Control Systems
>>
Data Link Connector
>>
Locations
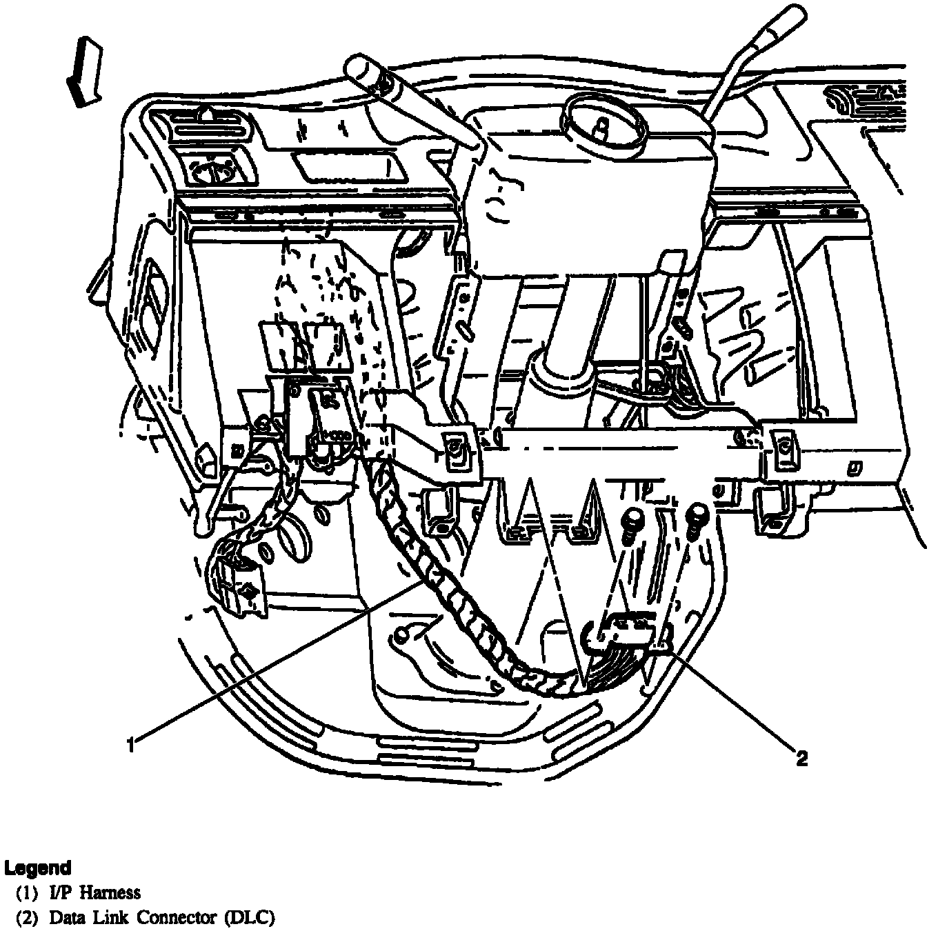
Data Link Connector: Locations
Below Steering Column: