Curiosii for ever!
: Car repair manuals for everyone.
Home
>>
Chevy Truck
>>
1997
>>
Venture V6-3.4L VIN E
>>
Repair and Diagnosis
>>
Diagrams
>>
Components
>>
Modules
>>
Cruise Control Module
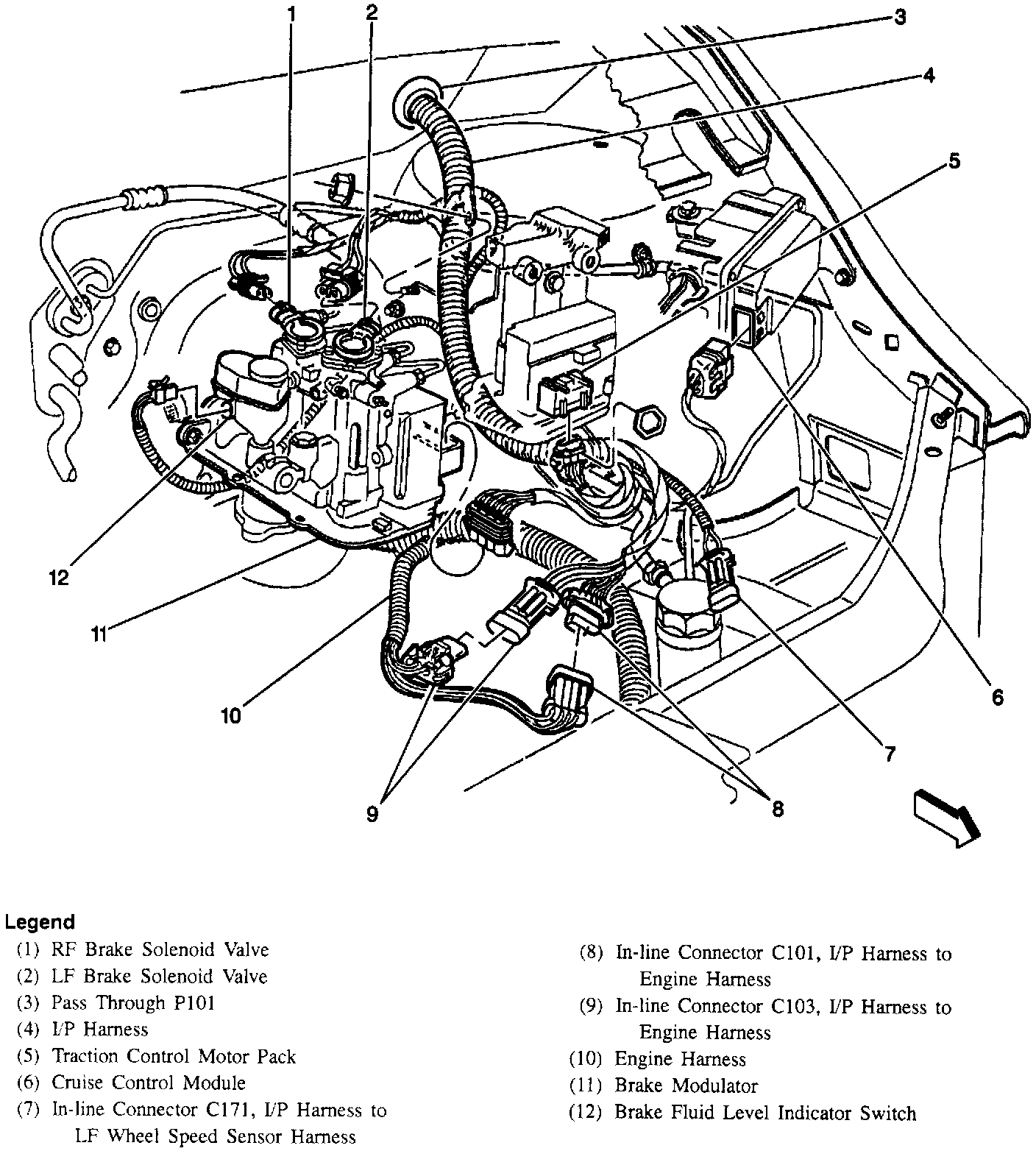
Cruise Control Module
LH Side Of Engine Compartment: