Curiosii for ever!: Car repair manuals for everyone.

Transmission Assembly

- Tools Required:
- J 36515-10 Retainer Alignment Cables
- J 36502 4WD Oil Seal Installer
- J 36502-2A 4WD Seal Protector
- J 36515 Assembly Pallet
- J 36515-16 Countershaft Adapter
- J 36515-15 Mainshaft Adapter
- J 3289-20 Base Holding Fixture
- J 8763-02 Holding Fixture C-Clamp
- J 8763-21 Balance Bracket for C-Clamp
- J 6133-01 Speedometer Rotor Installer
- J 36824 Transmission Holding Fixture Adapters

ASSEMBLE





1. Pilot bearing into input shaft.
A. Turn the smaller diameter of the bearing cage toward the input shaft.
B. Retain with TRANSJEL (tm) J 36850 or equivalent.
2. Position onto J 36515-15/J 36515 fixture:
A. Input shaft.
B. Pilot bearing.
C. Synchronizer ring.
D. Mainshaft assembly.





3. Position countershaft onto J 36515-16 fixture.
4. Reverse idler assembly.





5. Output shaft bearing assembly.
6. New snap ring.
7. Install on main shaft assembly:
A. First-second shift fork.
B. 5-reverse shift fork.
8. Speed sensor rotor HEATED.
- If necessary seat with J 6133-01.





9. J 36515-10 through bolt and holes in the rear housing.
- Screw into the output shaft bearing retainer.
10. Bearing.
A. Install in bearing race of the housing, with the smaller diameter of the bearing cage into the bearing race.
B. Retain with TRANSJEL (tm) J 36850 or equivalent.

Important
- Press each roller towards the race to secure them for easier assembly.

11. Rear housing assembly.
A. Make sure the reverse idler shaft is lined up with the hole in the case.
B. Rotate back and fourth while pulling down.
C. Pull up on J 36515-10 while installing rear housing.

Important
- Bring the housing straight down. If resistance is felt at about 7 mm (1/4 inch), then the rollers are cocked. Repeat above procedures to install. Do not force housing down.





12. Bolts.
A. Apply pipe sealant with Teflon (tm) or equivalent to the bolt holes of the rear housing.
B. Apply Threadlocker to bolt threads.
C. Remove J 36515-10.

Tighten
- Bolts to 22 Nm (16 lb. ft.).

13. Lay the unit down on the workbench and remove J 36515, J 36515-15, and J 36515-16.





14. Idler shaft support and bolts.
A. Line up the bolt threads in the idler shaft support with bolt hole.
B. Apply pipe sealant with Teflon (tm) or equivalent to the bolt hole.
C. Apply Threadlocker or equivalent to the bolt threads.
D. Hold reverse idler shaft against idler support while tighten.

Tighten
- Bolt to 22 Nm (16 lb. ft.).





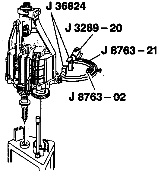
15. Position J 8763-21, J 8763-02, and J 36824 onto the transmission case.
19. Third-fourth shift fork onto the third-fourth synchronizer sleeve.
- Align all three insert notches.
16. Shift shaft into third-fourth shift fork with detent relief in shaft pointing out.
17. Shin lever housing to the transmission. Refer to "Shift Lever Housing".

Important
- Ensure that the shift lever is positioned in the 3rd or 4th gear position.





18. Shift shaft through first-second shift fork.
19. Shift socket onto the shift shaft.
- Slide the shift shaft all the way into the case.
20. New roll pin into shift lever.
- Rotate shift shaft and shift lever/blockout bushing assembly until roll pin holes are aligned and horizontal.
- Support shift shaft while installing roll pin.
- Install pin until flush with the shift lever.
21. Detent spring and ball plunger into hole in the shift lever.
- Rotate shift shaft counterclockwise until shift lever is almost into fifth-reverse insert notch.
- Install spring and plunger into shift lever.
- Rotate shift shaft until shift lever aligns with 3-4 insert.
22. Shift socket to shift shaft roll pin.
- Align holes in the shift socket and shift shaft.
- Drive roll pin until it is flush with the bottom of the shift socket.

Important
- Use the second (middle) roll pin hole on the C/K truck transmissions and the rear roll pin hole on the S/T truck transmissions.
- Excessive force will "peen" the shift shaft and damage the rear housing shift shaft bearing causing increased shift effort.





23. Shift tower to transmission with four bolts.

Tighten
- Shift tower bolts to 10 Nm (89 lb. in.).

24. Countershaft bearing to countershaft race.

Important
A. Install smaller diameter of bearing cage into the bearing race.
B. Press each roller into cage and retain with TRANSJEL To J 36850 or equivalent.
C. Apply TRANSJEL To J 36850 or equivalent to bearing race on input shaft.





25. Front housing.

Important
- Bring the housing straight down. If resistance is felt at about 7 mm (1/4 inch), then the rollers are cocked. Repeat the above procedures to install. Do not force down the housing.

26. Two dowels.
27. Bolts.
- Do not tighten.
- Tip vertically.





28. NEW snap ring.
- It may be necessary to pull out on the input shaft to install the snap ring.
- Apply gasket maker or equivalent to the inside of the bolt hole pattern.

Important
- DO NOT APPLY too much gasket maker around the oil drain back hole. This could clog the hole causing a low fluid flow through the bearing resulting in premature bearing failure.

29. Input shaft bearing retainer assembly and six bolts.
- Make sure oil drain back hole is lined up with the hole in the housing.

Tighten
- Bolts to 9 Nm (75 lb. in.).





30. Shift shaft detent plunger, shift shaft detent spring, and plug using brass drift.
- Apply pipe sealant with Teflon (tm) or equivalent to the plug.
31. Backup lamp switch assembly.
- Apply pipe sealant with Teflon (tm) or equivalent to the threads.

Tighten
- Switch to 9 Nm (75 lb. in.).





32. Remove J 8763-02 and J 36824.





Tighten
- Bolts to 35 Nm (26 lb. ft.).

33. Blockout bushing anchor bolt.

Tighten
- Anchor bolt to 25 Nm (18 lb. ft.).

34. Fill transmission with Synchromesh Transmission Fluid or the equivalent.
35. Oil fill plug.
- Apply pipe sealant with Teflon(tm) or equivalent to the threads.

Tighten
- Oil fill plug to 23 Nm (17 lb. ft.).