Curiosii for ever!: Car repair manuals for everyone.

Frontal SIR System Install or Connect









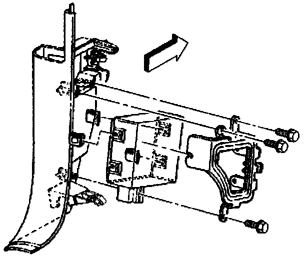
Installation Procedure
1. Connect the DERM electrical connector to the DERM.
2. Connect the connector lock.
3. Install the DERM to the mounting bracket.

Tighten
Tighten nuts to 3 N.m (25 lb in). Tighten screws 1 N.m (5 lb in).
4. Install the right hand cowl kick panel.
5. Connect the right hand sill plate.
5. Connect the right hand sound insulator.
7. Connect the Connector Position Assurance (CPA) Lock.
8. Enable the SIR system. Refer to Air Bag(s) Arming and Disarming.

Tighten
Tighten nuts to 3 N.m (25 lb in)
Tighten screws 1 N.m (5 lb in).