Curiosii for ever!: Car repair manuals for everyone.

Steering Column - Tilt Column

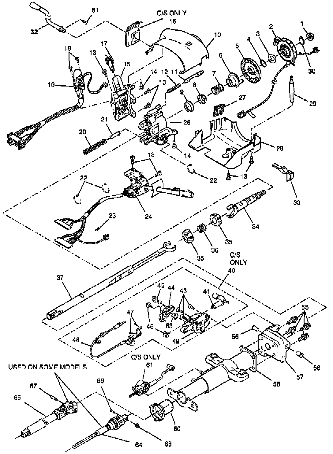
Fig. 20 Exploded View Of Tilt Steering Column (Part 1 0f 2):






1- NUT, HEXAGON LOCKING ( M 14 x 1.5 )
2- COIL ASM, SIR
3- WASHER, WAVE
4- RING, RETAINING
5- SHIELD ASM, SHAFT LOCK
6- CAM ASM, T/SIG CANCEL
7- SPRING, UPPER BEARING
8- SEAT, UPPER BEARING INNER RACE
9- RACE, INNER
10- SHROUD, UPPER
11- BOLT ASM, LOCK
12- SPRING, LOCK BOLT
13- SCREW, PAN HD TAPPING
14- SCREW, TORX HEAD
15- MODULE ASM, LOCK
16- SEAL, SHIFT LEVER
17- LOCK CYL SET, STRG COLUMN
18- SCREW, TAPPING
19- SWITCH ASM, IGN & KEY ALARM
20- SPRING, TILT
21- GUIDE, SPRING
22- STRAP, WIRE HARNESS
23- CONNECTOR, AXIAL POSN ASSUR
24- SWITCH ASM, T/S & MULTIFUNCTION
26- TILT HEAD ASM, STRG COLUMN
27- PROTECTOR, SHROUD
28- SHROUD, LOWER
29- STUD, SHROUD MOUNTING
30- RING, RETAINING
31- SCREW, SHIFT LEVER
32- LEVER ASM, AUTO TRANS CONTROL
33- LEVER ASM, TILT
34- SHAFT ASM, RACE AND UPPER
35- SPHERE, CENTERING
36- SPRING, JOINT PRELOAD
37- SHAFT ASM, LOWER STEERING
40- SHIFT ASM, LINEAR
41- CLEVIS, SHIFT LEVER
43- SCREW, FLAT HD 6-LOBED SOC TAP
44- CAM ASM, CABLE SHIFT
45- ACTUATOR ASM, BALL &
46- BOLT, HEX FLANGE HEAD
47- SCREW, OVAL HD 6-LOBED SOC TAP
48- CABLE ASM, PARK LOCK
49- BRACKET, G/S LEVER ASM SUPPORT
55- SCREW, TORX HEAD
56- PIN, PIVOT
57- SUPPORT ASM, STRG COL
58- JACKET ASM, STRG COL
60- BEARING ASM, ADAPTER &
61- ACTUATOR, ELECTRICAL (BTSI)
63- BUSHING, CAM
64- SHAFT ASM, CPLG & STRG
65- SHAFT ASM, YOKE & INTER STRG
66- BOLT, ROUND HD LOCKING
67- BOLT, PINCH
68- NUT, HEX HD