Curiosii for ever!
: Car repair manuals for everyone.
Home
>>
Chevy Truck
>>
1996
>>
S10/T10 P/U 2WD L4-2.2L VIN 4
>>
Repair and Diagnosis
>>
Diagrams
>>
Components
>>
Modules
>>
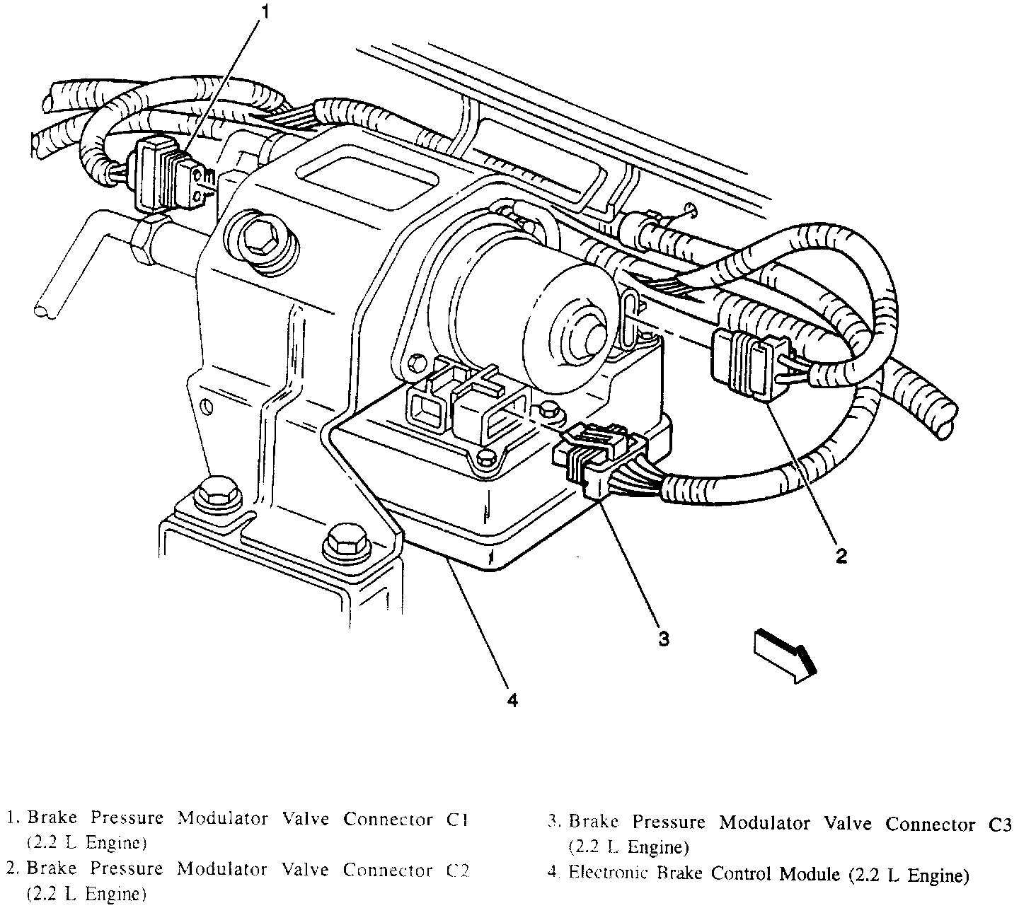
Electronic Brake Control Module
Electronic Brake Control Module
Brake Pressure Modulator Valve Connector C2: