Curiosii for ever!
: Car repair manuals for everyone.
Home
>>
Chevy Truck
>>
1996
>>
G 30 Van V8-5.7L VIN R
>>
Repair and Diagnosis
>>
Powertrain Management
>>
Computers and Control Systems
>>
Transmission Position Sensor/Switch
>>
Locations
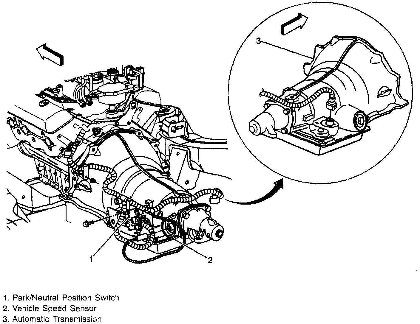
Transmission Position Sensor/Switch: Locations
Automatic Transmission, 4 Speed, 4L60E Electronic: