Curiosii for ever!
: Car repair manuals for everyone.
Home
>>
Chevy Truck
>>
1996
>>
Astro Van M V6-4.3L VIN W
>>
Repair and Diagnosis
>>
Diagrams
>>
Components
>>
Modules
>>
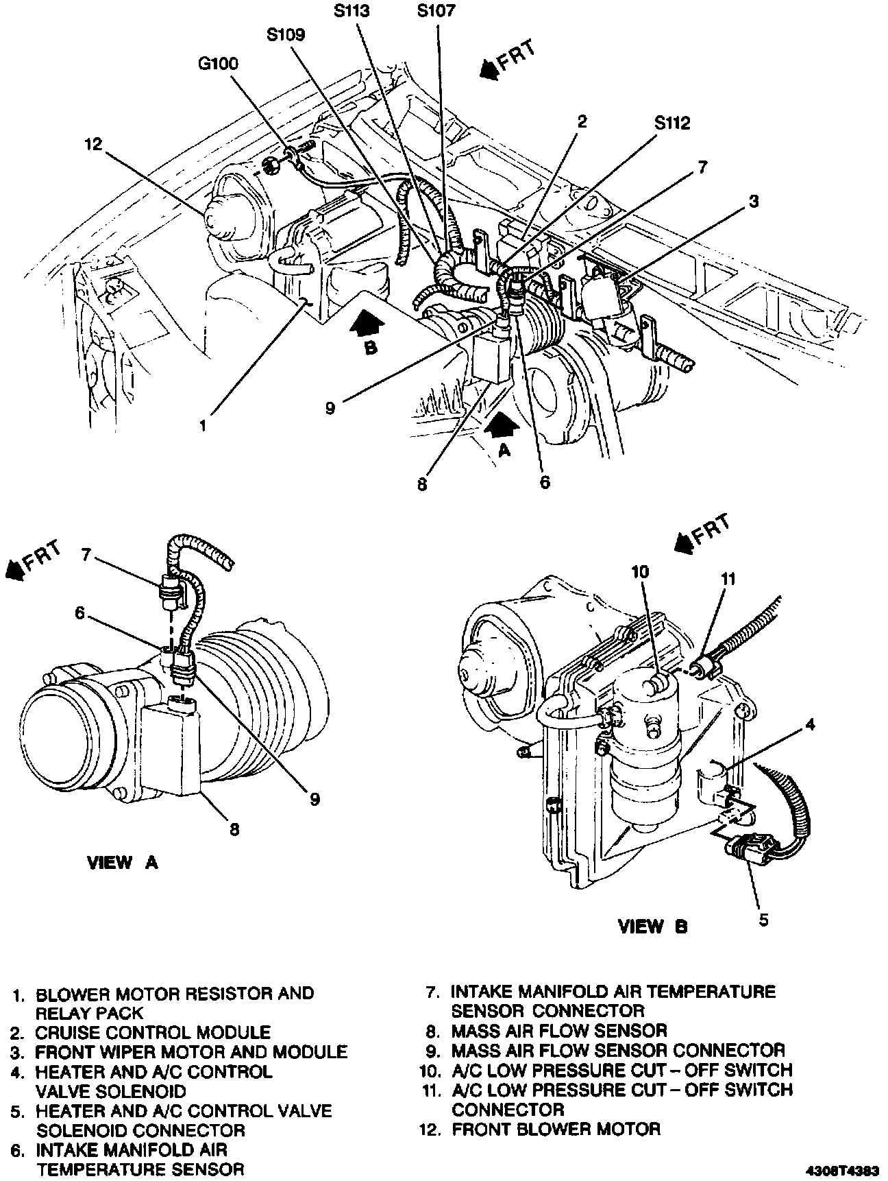
Wiper Module, Front
Wiper Module, Front
Engine/Center Of Front Of Dash Wiring: