Curiosii for ever!
: Car repair manuals for everyone.
Home
>>
Chevy Truck
>>
1995
>>
S10/T10 P/U 2WD L4-2.2L VIN 4
>>
Repair and Diagnosis
>>
Specifications
>>
Mechanical Specifications
>>
Engine
>>
System Specifications
>>
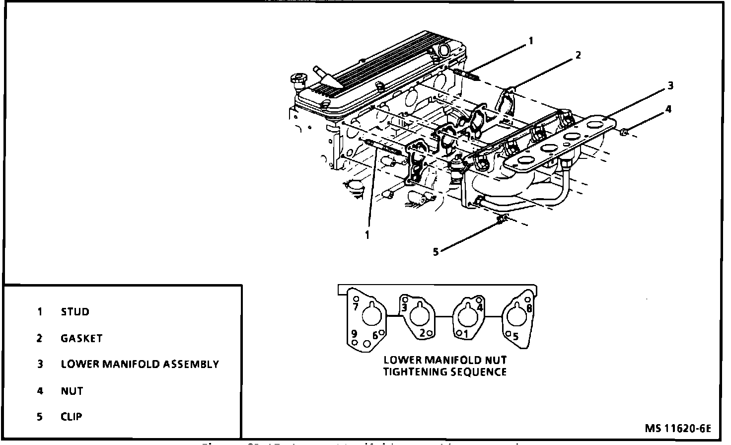
Fastener Tightening Specifications - Lower Intake Manifold
Fastener Tightening Specifications - Lower Intake Manifold
Lower Manifold Assembly And Tightening Sequence: