Curiosii for ever!: Car repair manuals for everyone.

Standard Column

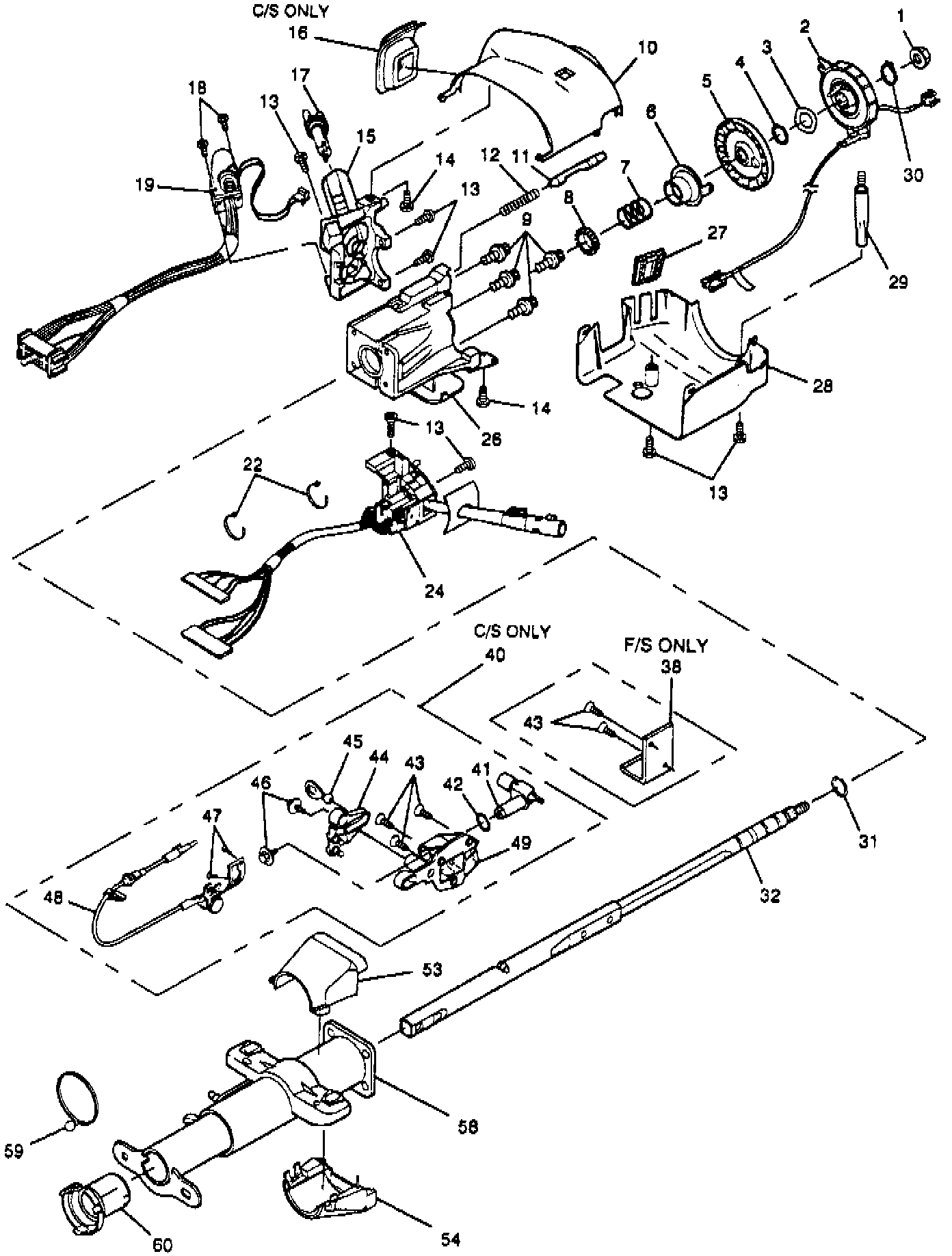
Fig. 17 Exploded View Of Standard Steering Column (Part 1 0f 2):






1- NUT, HEXAGON LOCKING ( M 14 x 1.5 )
2- COIL ASM, SIR
3- WASHER, WAVE
4- RING, RETAINING
5- SHIELD ASM, SHAFT LOCK
6- CAM ASM, T/SIG CANCEL
7- SPRING, UPPER BEARING
8- WASHER, THRUST
9- SCREW, TORX HEAD
10- SHROUD, UPPER
11- BOLT ASM, LOCK
12- SPRING, LOCK BOLT
13- SCREW, PAN HD TAPPING
14- SCREW, TORX HEAD
15- MODULE ASM, LOCK
16- SEAL, SHIFT LEVER
17- LOCK CYL SET, STRG COLUMN
18- SCREW, TAPPING
19- SWITCH ASM, IGN & KEY ALARM
22- STRAP, WIRE HARNESS
24- SWITCH ASM, T/S & MULTIFUNC
26- HOUSING ASM, STRG COLUMN
27- PROTECTOR, SHROUD
28- SHROUD, LOWER
29- STUD, SHROUD MOUNTING
30- RING, RETAINING
31- RING, RETAINING
32- SHAFT ASM, STEERING
38- STRAP, REINFORCEMENT STRG
40- SHIFT ASM, LINEAR
41- CLEVIS, SHIFT LEVER
42- WASHER, WAVE
43- SCREW, FLAT HD 6-LOBED SOC TAP
44- CAM ASM, CABLE SHIFT
45- ACTUATOR ASM, BALL &
46- BOLT, HEX FLANGE HEAD
47- SCREW, OVAL HD 6-LOBED SOC TAP
48- CABLE ASM, PARK LOCK
49- BRACKET, G/S LEVER ASM SUPPORT
53- GUIDE ASM, STRG COL
54- GUIDE ASM, STRG COL
58- JACKET ASM, STRG COL
59- STRAP, WIRE HARNESS
60- BEARING ASM, ADAPTER &

SERVICE KIT
201-GREASE SERV KIT, (SYNTHETIC)