Curiosii for ever!
: Car repair manuals for everyone.
Home
>>
Chevy Truck
>>
1995
>>
G 30 Van V8-393 6.5L DSL VIN P
>>
Repair and Diagnosis
>>
Diagrams
>>
Electrical Diagrams
>>
Powertrain Management
>>
System Diagram
>>
Powertrain Control Module - PCM
Powertrain Control Module - PCM
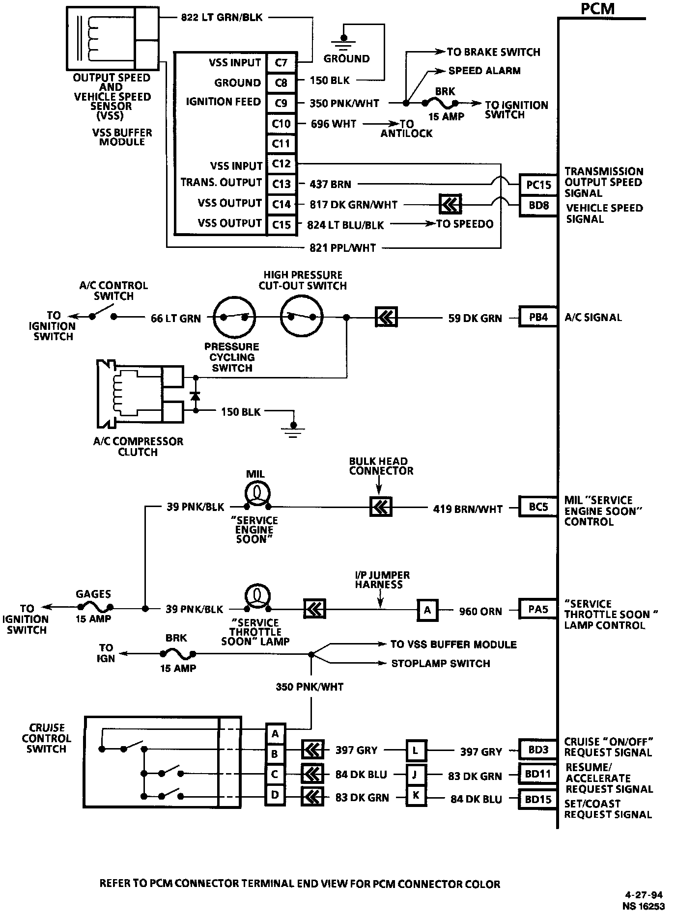
PCM Wiring Diagram (1 Of 6):
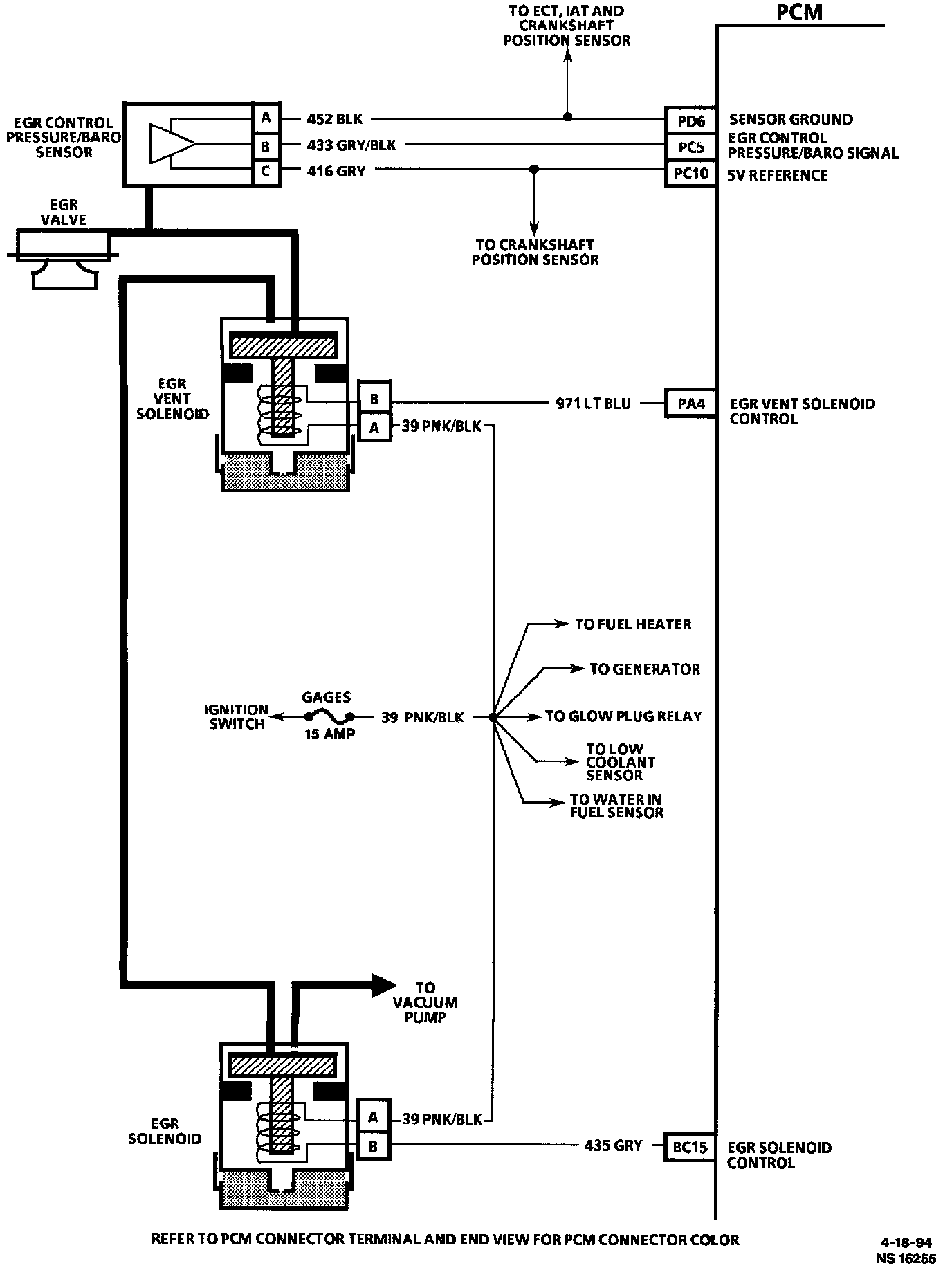
PCM Wiring Diagram (2 Of 6):
PCM Wiring Diagram (3 Of 6):
PCM Wiring Diagram (4 Of 6):
PCM Wiring Diagram (5 Of 6):