Curiosii for ever!
: Car repair manuals for everyone.
Home
>>
Chevy Truck
>>
1995
>>
Astro Van L AWD V6-262 4.3L VIN W CPI
>>
Repair and Diagnosis
>>
Powertrain Management
>>
Computers and Control Systems
>>
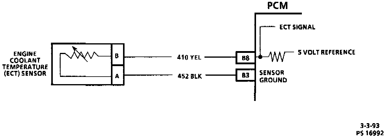
Coolant Temperature Sensor/Switch (For Computer)
>>
Diagrams
>>
Electrical Diagrams
Electrical Diagrams
Temp Sensor Circuit Wiring: