Curiosii for ever!: Car repair manuals for everyone.

Lower Intake Manifold Torque and Sequence

Identification Label Location Fuel 2.2L:





A label containing the last four digits of the upper manifold assembly identification number appears on the pressure regulator. ( The bar code also contains the component number for manifolds, and the four digits of the identifying number.) Refer to this number if servicing or part replacement is required.

Refer to the disassembled view for identification of parts during repair procedures.

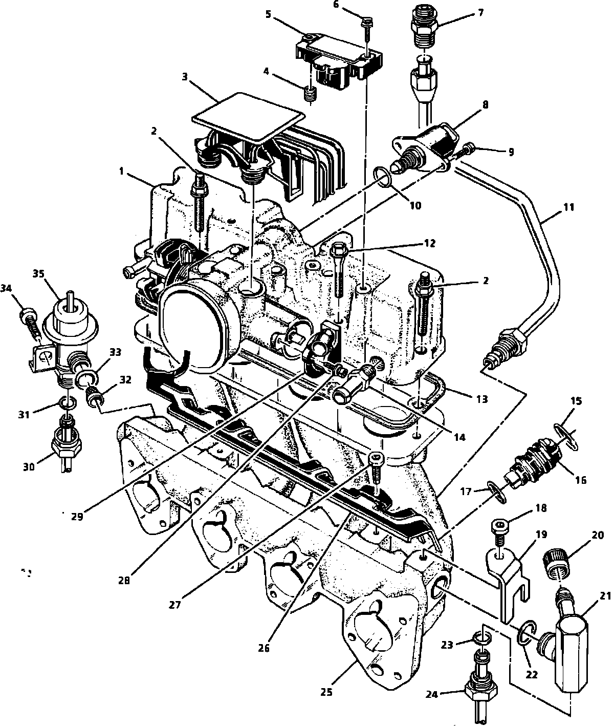
Upper & Lower Manifold Assemblies S/PUP 2.2L:




Upper & Lower Manifold Assemblies S/PUP 2.2L - Part Name:





Tools Required J 37088-A tool set.

Remove or Disconnect
- Relieve fuel system pressure.
Refer to "Fuel Pressure Relief Procedure."
- Negative battery cable.
- Upper manifold assembly.
Refer to "Upper Manifold Assembly."

Clean
- Using compressed air, blow out dirt from all quick-connect fittings before removing.
CAUTION Safety glasses must be worn when using compressed air, as flying dirt particles may cause eye injury.
- Grasp both ends of one fuel line connection and twist turn in each direction to loosen any dirt in quick-connect fitting. Repeat for other fitting.

Remove or Disconnect
Quick-connect fittings at engine compartment fuel feed and return lines
- Choose correct tool from J 37088-A tool set for size of fitting.
- Insert tool into female connector, then push inward to release male connector.
- Repeat for other fitting.

Remove or Disconnect
- Plug fuel feed and return lines as required.
- Engine fuel inlet pipe retainer nuts and retainers.
- Fuel inlet pipe and seal.
- Lower manifold attaching nuts.
- Lower manifold.
Discard gasket.

NOTE Use care in cleaning old gasket material from machined aluminum surfaces as sharp tools may damage sealing surfaces.

Clean
- It is necessary to remove rust or burrs from the male tube end of the fuel feed/return pipes quick- connect fittings, use emery cloth in a circular motion with the tube end to prevent damage to O-ring sealing surface.
- Gasket cleaning surfaces.
- Using a clean shop towel, wipe off male tube end of the fuel feed/return pipes quick-connect fittings. Replace pipes if damaged.

Inspect
Replacement lower manifold for items that are to be transferred from unit removed from engine.

Disassemble
- EGR transfer pipe.
- Lower manifold and other remaining parts to be transferred following component repair procedures.

Assemble
- Replacement lower manifold with transferred parts following component repair procedures.
- Apply pipe sealant to threaded ends of EGR transfer pipe
- Install EGR transfer pipe.

Tighten
EGR transfer pipe nuts to 27.0 Nm (20 lb. ft.).

Install or Connect
Position EGR valve injector so that the port faces directly toward the throttle bore.
- New lower manifold gasket.
- Position lower manifold on studs.
- Lower manifold attaching nuts.

Tighten
Lower manifold attaching nuts 30.0 Nm (22 lb. ft.), using tightening sequence shown.

Install or Connect
- New fuel inlet pipe O-ring seal.
- Fuel inlet pipe nut.
Finger tighten only.
- Support nut on bottom of lower manifold.
Finger tighten only.

Tighten
- Fuel inlet pipe retaining nut to 30 N-m (22 lb.ft.).
- Fuel pipe support nut to 10 Nm (89 lb. in.).

Install or Connect
- Unplug fuel feed and return lines.

CAUTION To reduce the risk of fire and personal injury Before connecting fuel line quick-connect fittings, always apply a few drops of clean engine oil to the male tube ends. This will ensure proper reconnection and prevent a possible fuel leak. (During normal operation, O-rings located in the female connector will swell and may prevent proper reconnection if not lubricated.)

- Fuel feed and return line quick-connect fittings
Apply a few drops of clean engine oil to the male tube ends of the engine fuel feed and return pipes.
Push connectors together to cause the retaining tabs/fingers to snap into place.
Once installed, pull on both ends of each connection to make sure they are secure.

- Repeat for other fitting.

- Upper manifold assembly.
Refer to "Upper Manifold Assembly."

- Tighten fuel filler cap.
- Negative battery cable.

Inspect
Turn ignition switch to the "ON" position for two seconds, then turn to the "OFF" position for ten seconds. Again turn to the "ON" Position. and check for fuel leaks.