Curiosii for ever!: Car repair manuals for everyone.

Distributor: Service and Repair




Distributor

Remove or Disconnect

Figure 8 - Spark Plug Wire Routing - Left Side (2.2L):





Figure 9 - Spark Plug Wire Routing - Right Side (2.2L):





Figure 10 - Distributor And Coil (4.3L VIN Z):





Figure 11 - Distributor And Coil (4.3L VIN W):





Figure 12 - Spark Plug Wire Routing - Left Side (4.3L VIN Z):





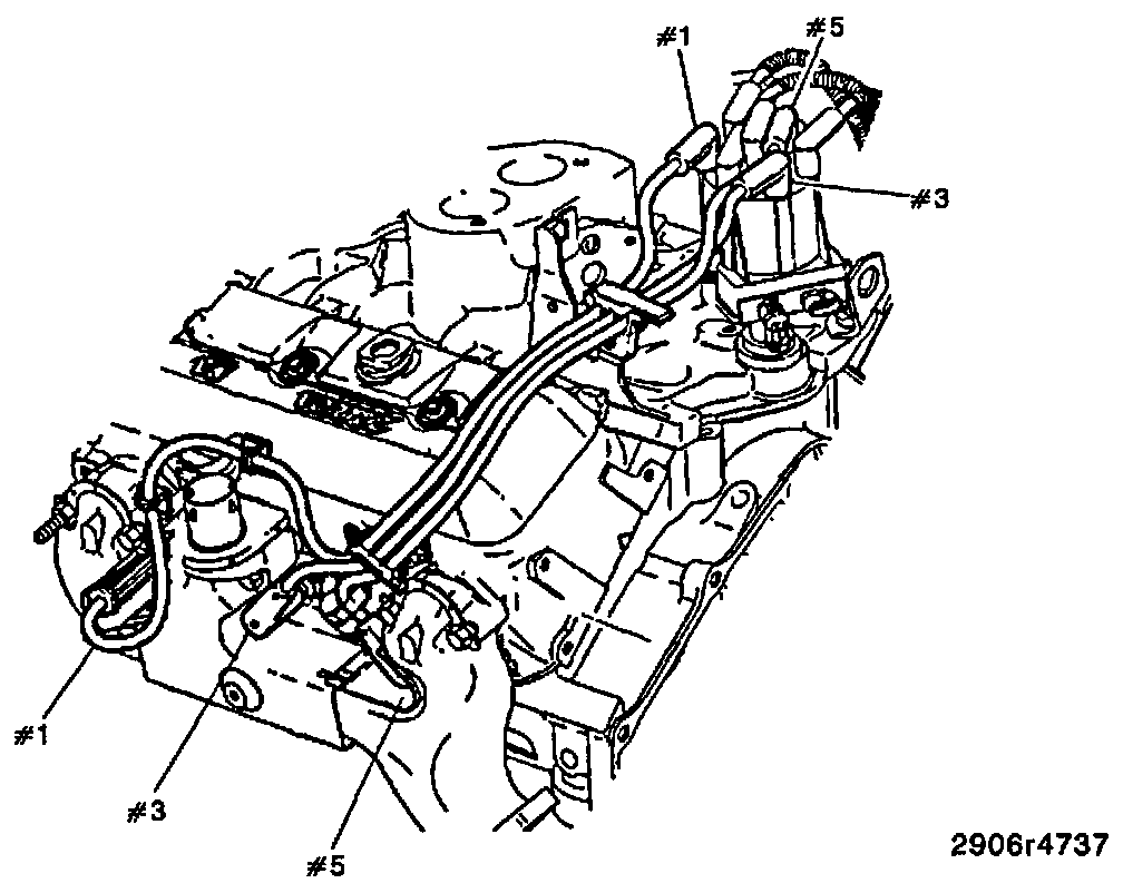
Figure 13 - Spark Plug Wire Routing - Right Side - Pickup Models (4.3L VIN Z):





Figure 14 - Spark Plug Wire Routing - Right Side - Utility Models (4.3L VIN Z):





Figure 15 - Spark Plug Wire Routing (4.3L VIN W):






- Make sure the ignition switch is "OFF."

1. Air cleaner and hoses (4.3L VIN Z).
2. Wiring harness connectors at the side of the distributor cap.
3. Two screws on the sides of the distributor cap.
4. Coil wire and spark plug wires on either the left or right side of the distributor.
5. Distributor cap and move it aside.
A. Use chalk to note the position of the rotor in relation to the engine.
B. Use chalk to note the position of the distributor housing in relation to the engine.
6. Distributor bolt and hold-down clamp.
7. Distributor and gasket, when present.

Install or Connect

Figure 8 - Spark Plug Wire Routing - Left Side (2.2L):





Figure 9 - Spark Plug Wire Routing - Right Side (2.2L):





Figure 10 - Distributor And Coil (4.3L VIN Z):





Figure 11 - Distributor And Coil (4.3L VIN W):





Figure 12 - Spark Plug Wire Routing - Left Side (4.3L VIN Z):





Figure 13 - Spark Plug Wire Routing - Right Side - Pickup Models (4.3L VIN Z):





Figure 14 - Spark Plug Wire Routing - Right Side - Utility Models (4.3L VIN Z):





Figure 15 - Spark Plug Wire Routing (4.3L VIN W):






A. To ensure correct timing of the distributor, it must be installed with the rotor correctly positioned as noted in step 5 of the removal procedure. Line up the rotor to the mark on the engine, and the mark on the housing to the engine.
B. If the distributor shaft won't drop into the engine, remove the distributor, insert a screwdriver into the hole for the distributor and rotate the oil pump driveshaft so that it lines up with the distributor driver gear.
1. Distributor and gasket, where present.
2. Hold-down clamp and bolt.
- Bolt on the 4.3L to 27 Nm (20 lbs. ft.).
3. Distributor cap.
4. Wiring harness connectors at the side of the distributor.
5. Spark plug wires and coil wire.
6. Air Cleaner and hoses.
- Check the engine timing.