Curiosii for ever!: Car repair manuals for everyone.

Compressor and Condenser Hose Assembly Replacement

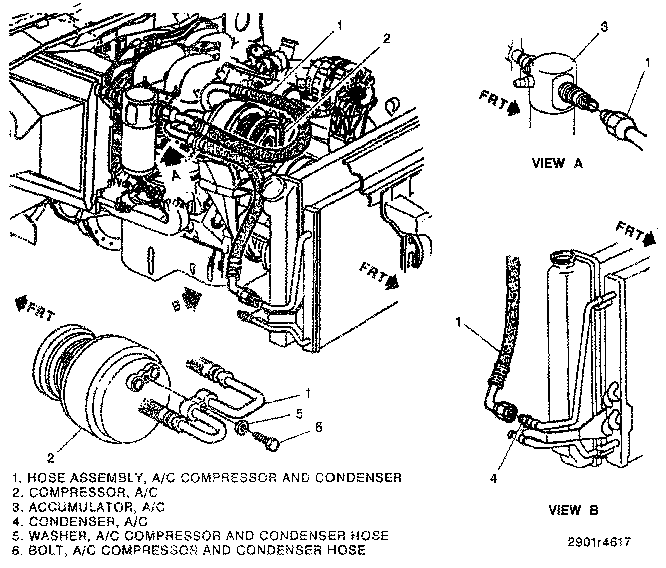
Compressor And Condenser Hose Routing:




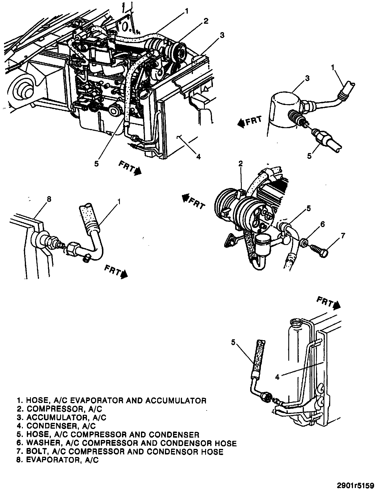
Compressor And Condenser Hose Routing:






REMOVE OR DISCONNECT


1. Negative battery cable.

2. Discharge and recover refrigerant from the system.

3. Compressor and condenser hose bolt and washer

4. Compressor and condenser hose from compressor

5. Sealing washers.

6. Compressor and condenser hose from accumulator.

7. O-ring seal.

8. Compressor and condenser hose from condenser.

9. O-ring seal.

10. Cap or plug all open connections.



INSTALL OR CONNECT


NOTICE: For steps 2, 4, and 7, refer to "Fasteners" under "Vehicle Damage Warnings."


1. New O-ring seal.

- Coat O-ring seal with 525 viscosity refrigerant oil.

2. Compressor and condenser hose to condenser.

- Tighten hose to 24 Nm (18 lbs. ft.).

3. New O-ring seal.

- Coat O-ring seal with 525 viscosity refrigerant oil.

4. Compressor and condenser hose to accumulator.


- Tighten hose to 41 Nm (30 lbs. ft.).

5. Sealing washers. Refer to "Compressor Sealing Washers." Compressor Sealing Washers

6. Compressor and condenser hose to compressor.

7. Compressor and condenser hose washer and bolt.


- Tighten bolt to 33 Nm (24 lbs. ft.).

8. Negative battery cable.

9. Refrigerant to the system.

10. Check the system for leaks.