Curiosii for ever!
: Car repair manuals for everyone.
Home
>>
Chevy Truck
>>
1994
>>
Lumina APV V6-191 3.1L
>>
Repair and Diagnosis
>>
Diagrams
>>
Components
>>
Modules
>>
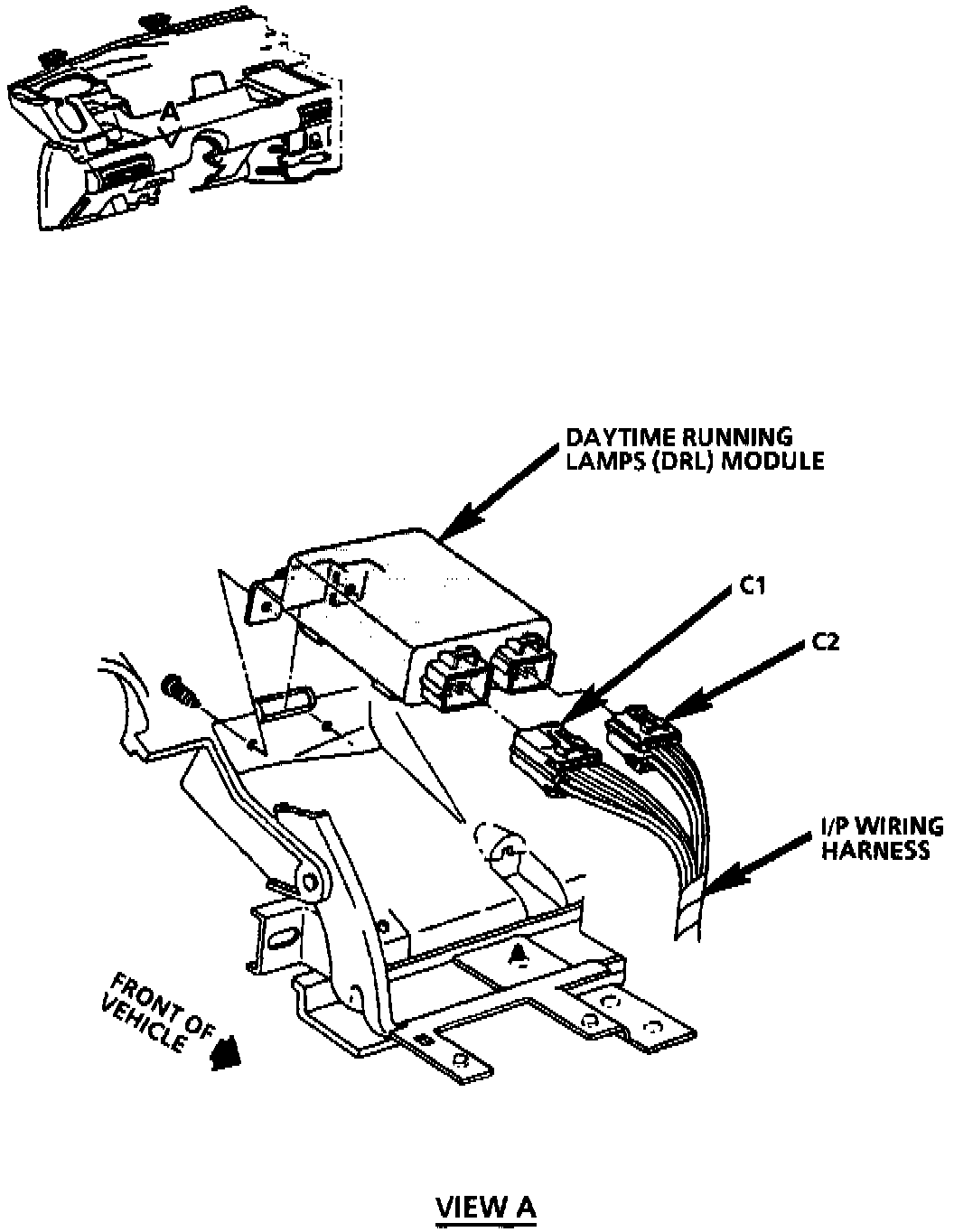
Daytime Running Lamps (DRL) Module
Daytime Running Lamps (DRL) Module
Behind Instrument Panel, Left Of Steering Column: