Curiosii for ever!
: Car repair manuals for everyone.
Home
>>
Chevy Truck
>>
1994
>>
G 20 Van V8-393 6.5L DSL
>>
Repair and Diagnosis
>>
Relays and Modules
>>
Relays and Modules - Powertrain Management
>>
Relays and Modules - Glow Plug System
>>
Glow Plug Control Module
>>
Locations
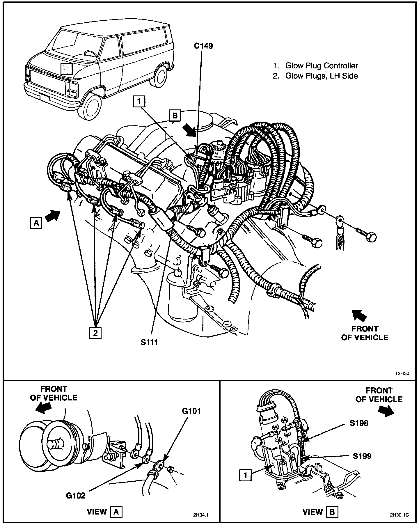
Glow Plug Control Module: Locations
Engine Wiring, LH Side:
Engine Wiring: