Curiosii for ever!
: Car repair manuals for everyone.
Home
>>
Chevy Truck
>>
1994
>>
G 20 Van V8-393 6.5L DSL
>>
Repair and Diagnosis
>>
Powertrain Management
>>
Computers and Control Systems
>>
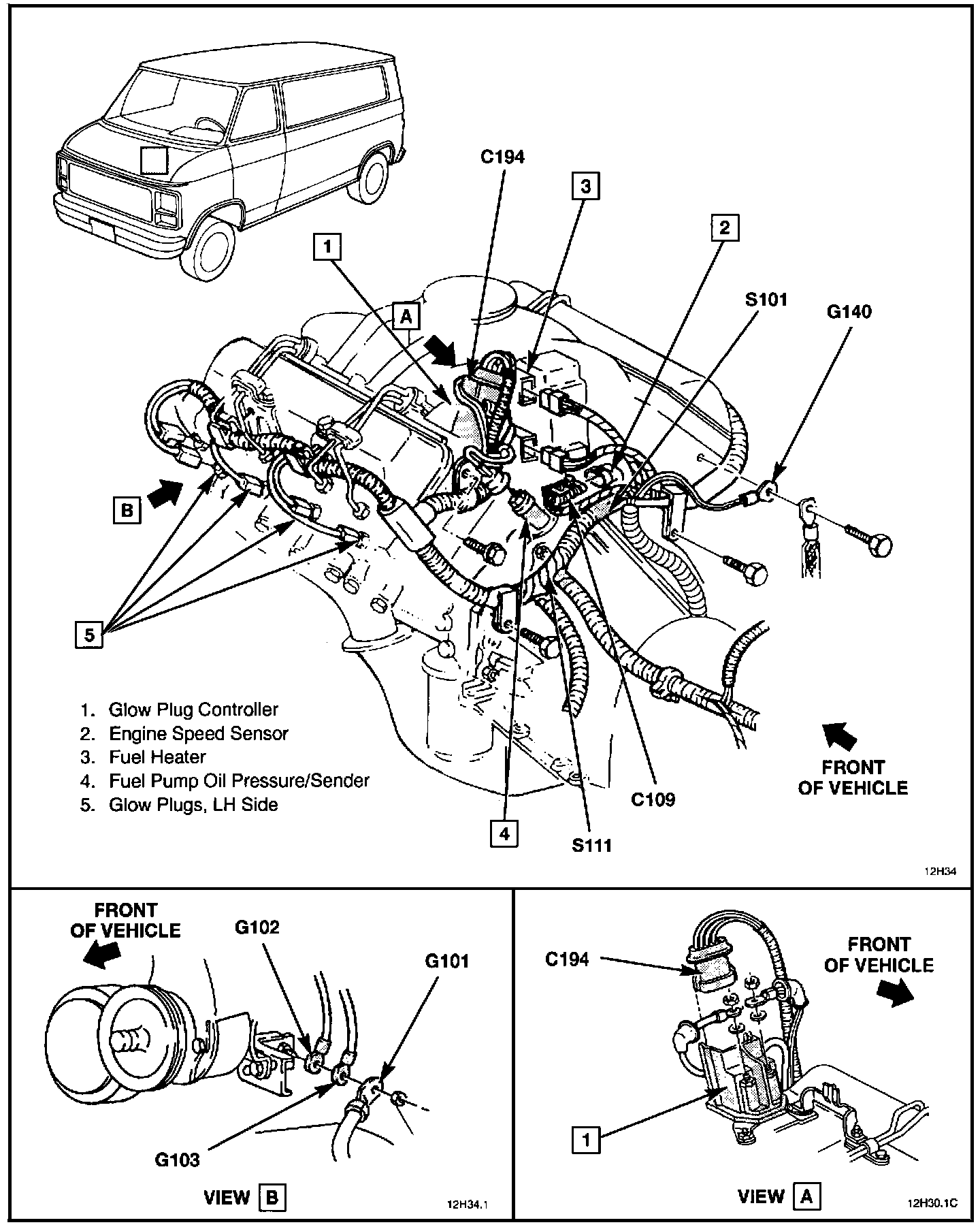
Engine Speed Sensor
>>
Locations
Engine Speed Sensor: Locations
Engine Wiring, LH Side: