Curiosii for ever!
: Car repair manuals for everyone.
Home
>>
Chevy Truck
>>
1994
>>
G 10 Van V8-350 5.7L
>>
Repair and Diagnosis
>>
Diagrams
>>
Components
>>
Modules
>>
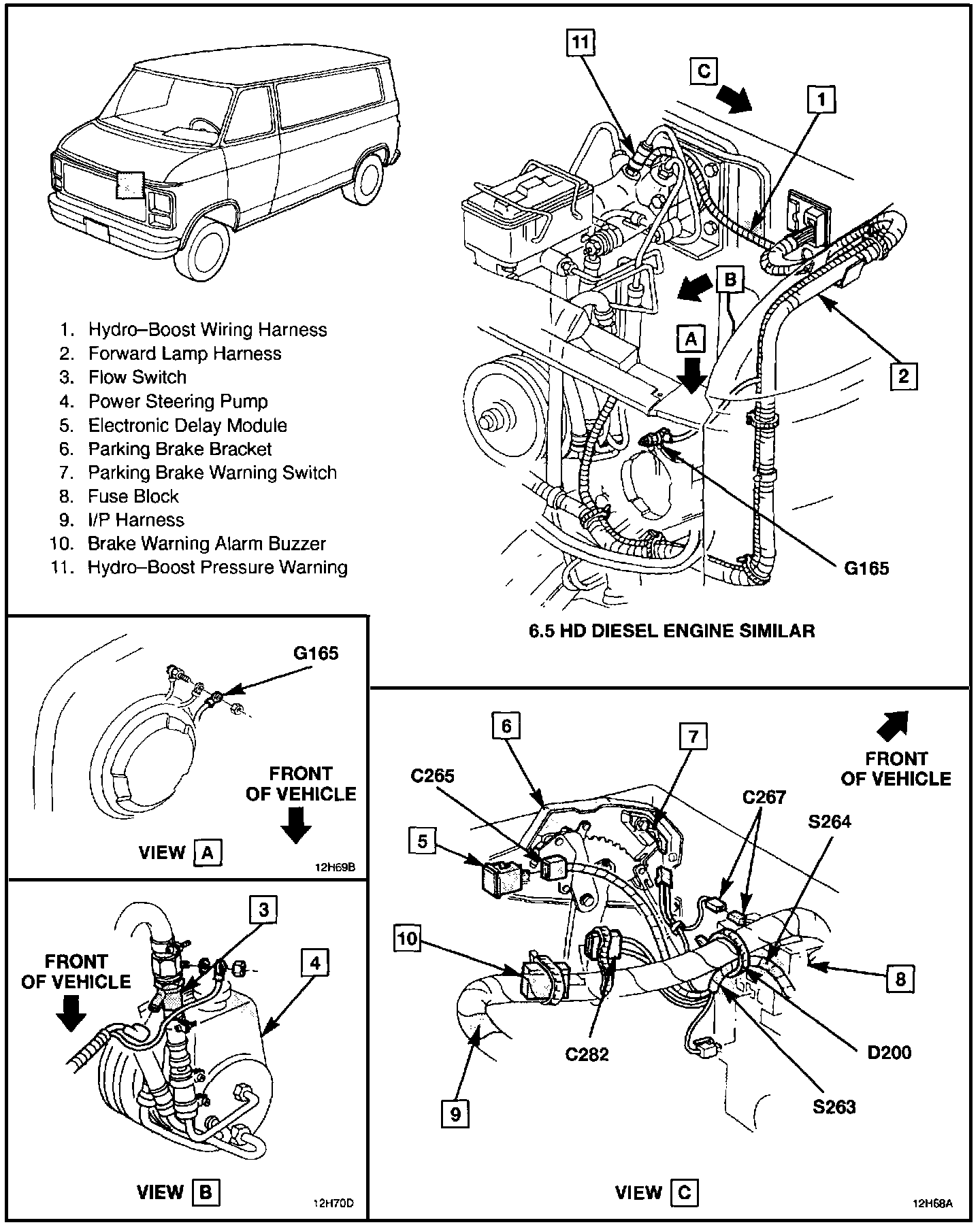
Electronic Delay Module
Electronic Delay Module
Brake Wiring Harness - Except 6.5L HD Diesel Engine: