Curiosii for ever!
: Car repair manuals for everyone.
Home
>>
Chevy Truck
>>
1994
>>
Astro Van M V6-262 4.3L VIN Z
>>
Repair and Diagnosis
>>
Powertrain Management
>>
Computers and Control Systems
>>
Transmission Position Sensor/Switch
>>
Locations
>>
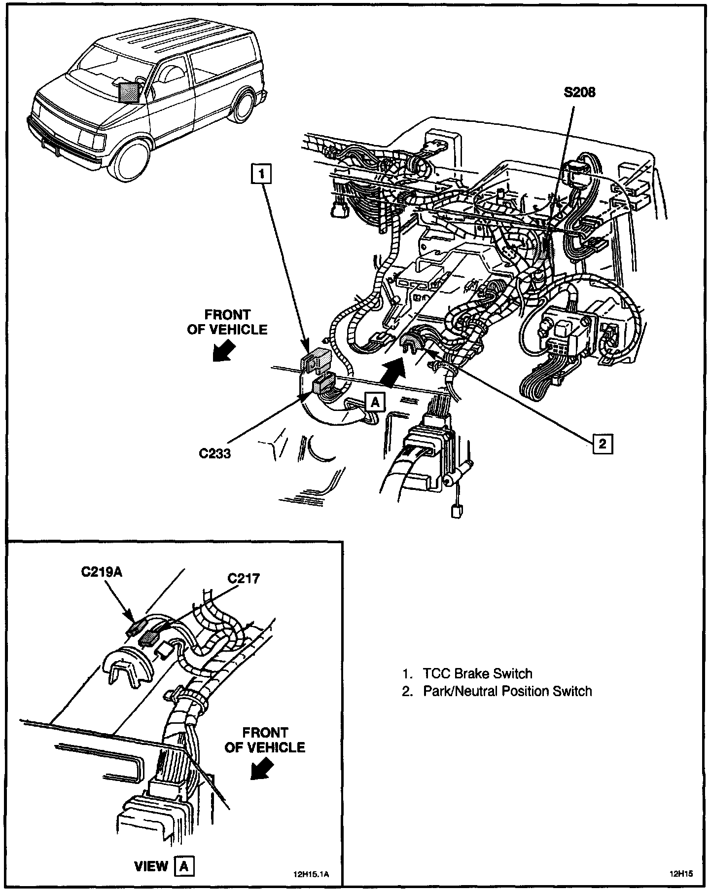
Location View
Location View
Instrument Panel, LH Side:
Instrument Panel, LH Side: