Curiosii for ever!
: Car repair manuals for everyone.
Home
>>
Chevy Truck
>>
1994
>>
Astro Van M V6-262 4.3L VIN Z
>>
Repair and Diagnosis
>>
Diagrams
>>
Components
>>
Modules
>>
Cruise Control Module
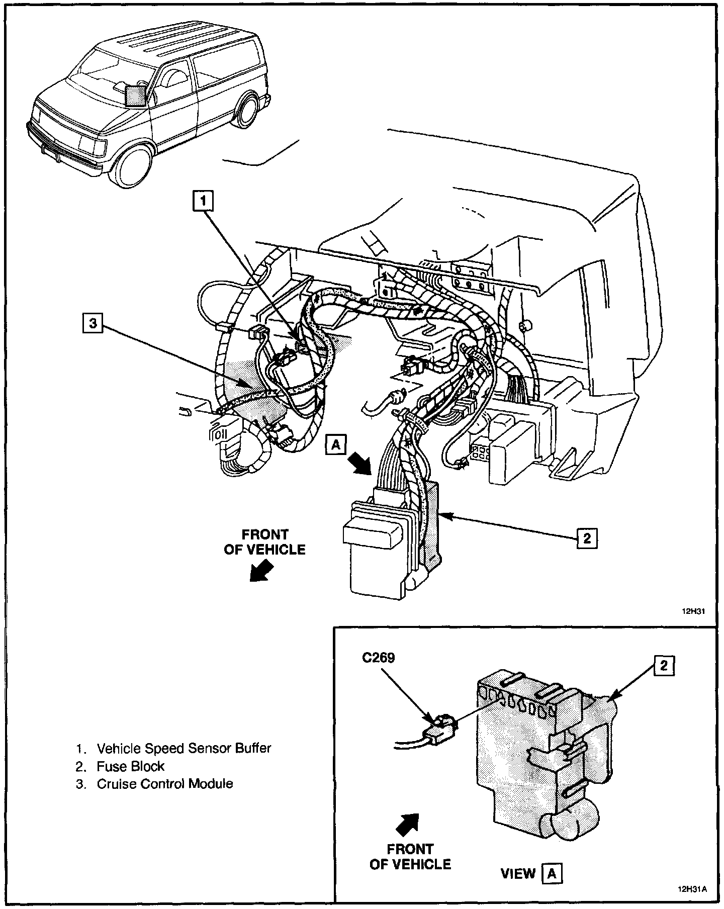
Cruise Control Module
Cruise Control Module And Wiring: