Curiosii for ever!
: Car repair manuals for everyone.
Home
>>
Chevy Truck
>>
1992
>>
Suburban 1/2 Ton 2WD V8-350 5.7L
>>
Repair and Diagnosis
>>
Powertrain Management
>>
Diagrams
>>
Electrical Diagrams
>>
Transmission Control Module (TCM)
>>
Outputs
Outputs
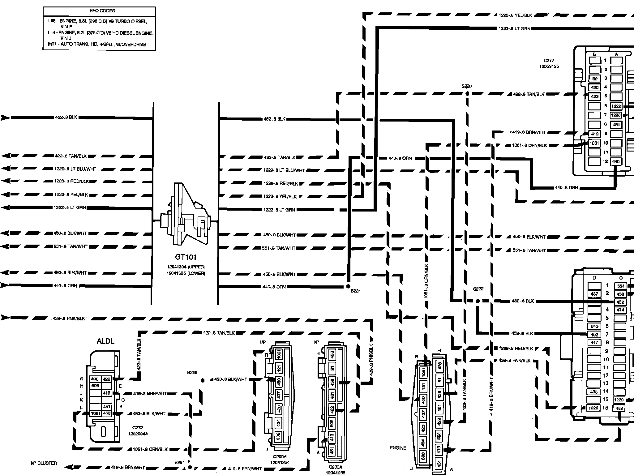
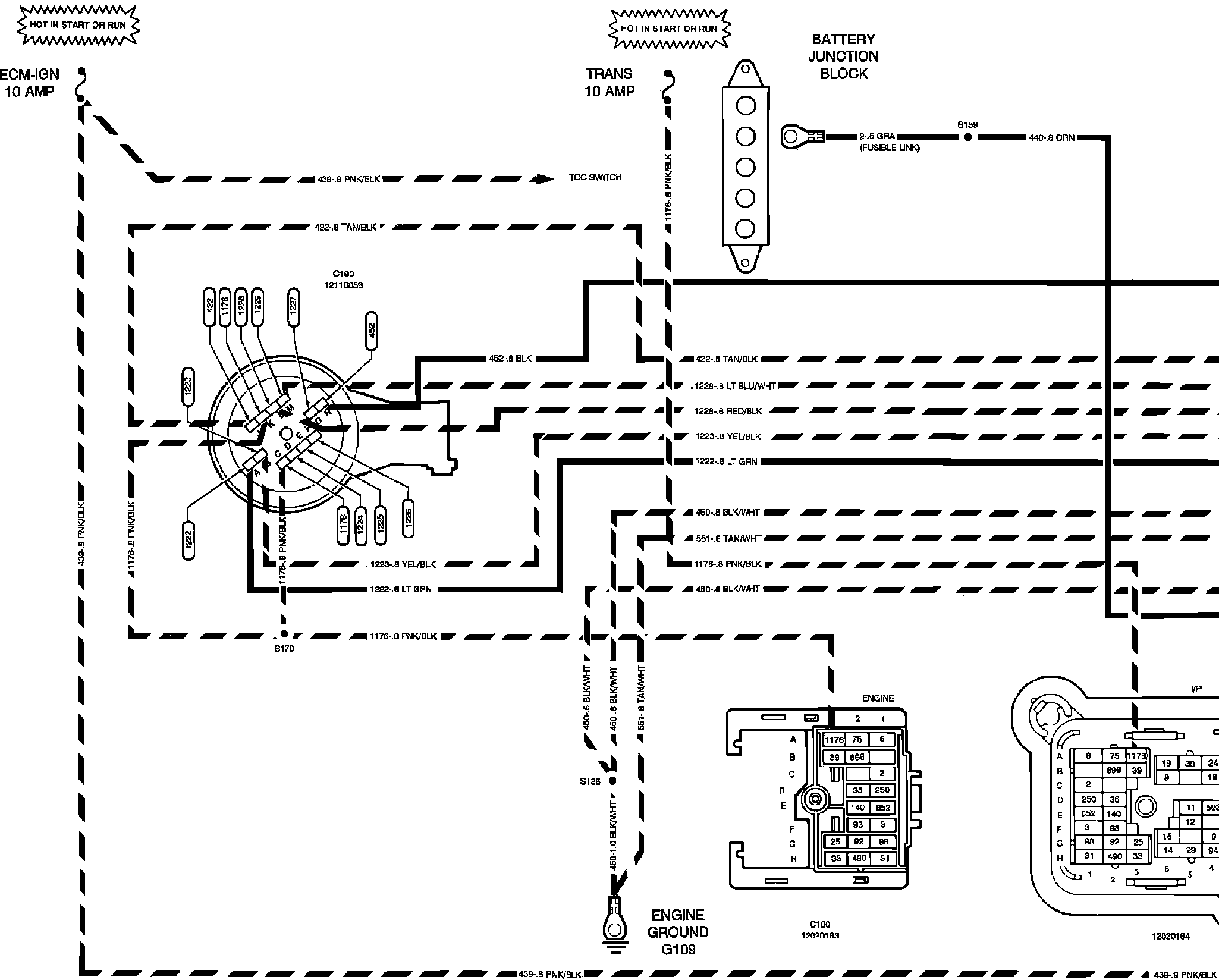
>��%Transmission Control Module (TCM) Outputs:
=�%Transmission Control Module (TCM) Outputs: