Curiosii for ever!
: Car repair manuals for everyone.
Home
>>
Chevy Truck
>>
1992
>>
G 20 Van V8-350 5.7L
>>
Repair and Diagnosis
>>
Powertrain Management
>>
Computers and Control Systems
>>
Coolant Temperature Sensor/Switch (For Computer)
>>
Locations
>>
Engine Coolant Temperature (ECT) Sensor
Engine Coolant Temperature (ECT) Sensor
Z�6Engine Wiring Harness:
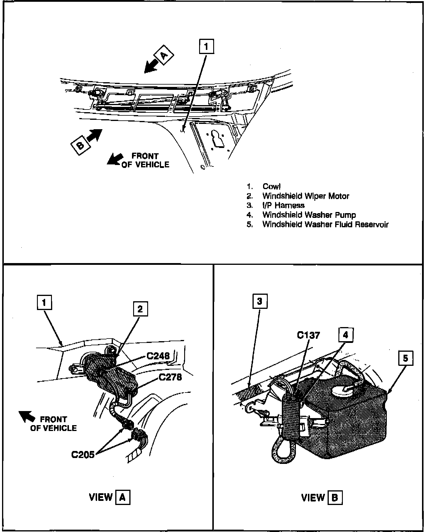
Windshield Wiper/Washer Wiring: