Curiosii for ever!: Car repair manuals for everyone.

Electronic (Engine) Control Module (ECM)

Safety Belt Retractor Switch:



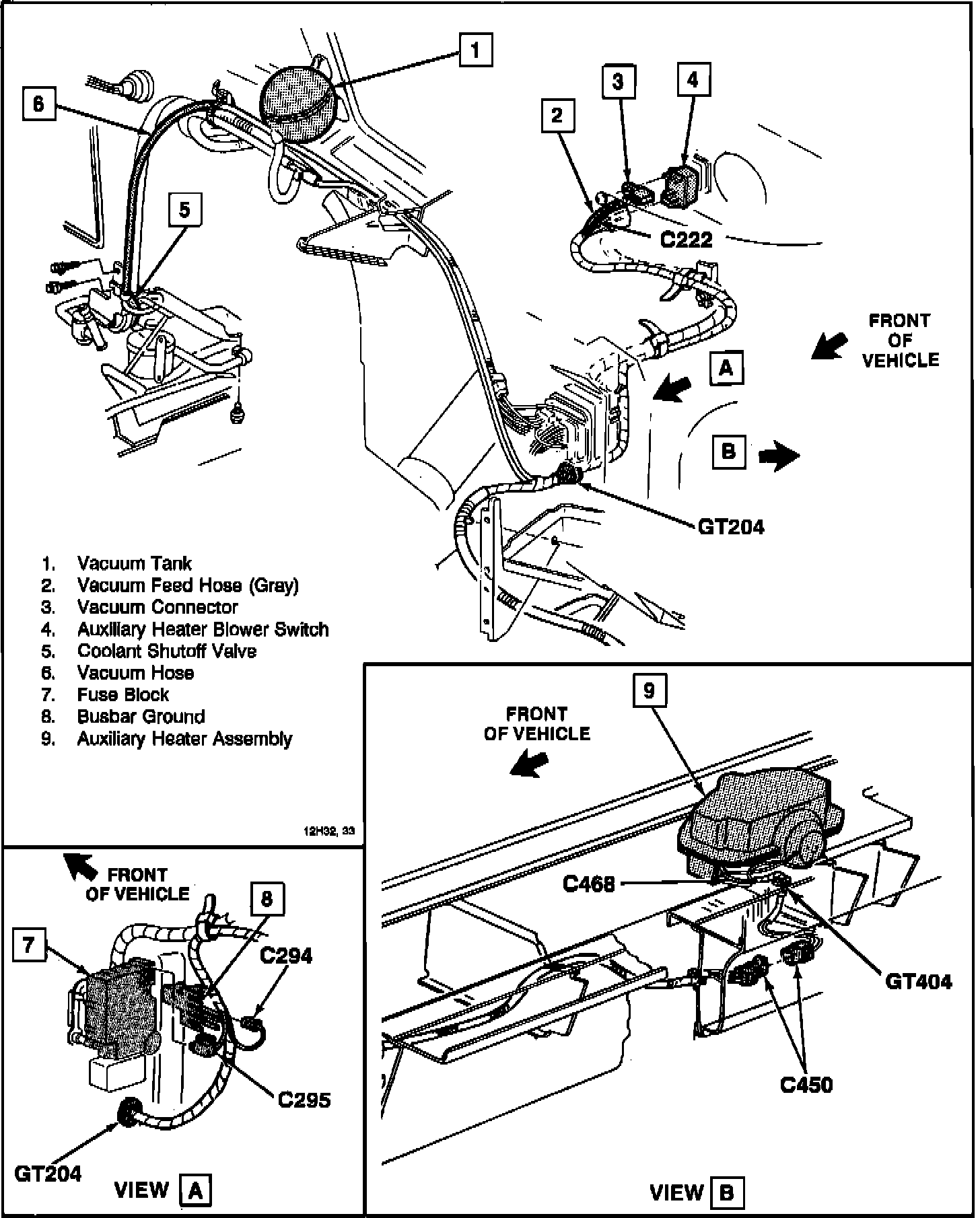
Auxiliary Heater And Wiring:



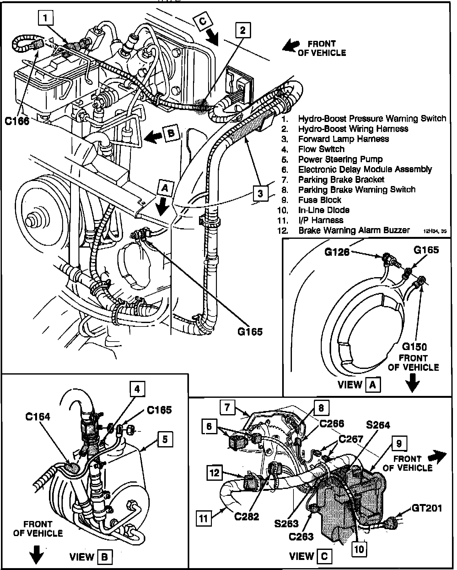
Brake Wiring Harness:



Cruise Control Wiring And Multi-Function Switch:



Heater-A/C Control And I/P Wiring And Auxiliary A/c:



I/P Harness And Controls:



Radio Feed Harness:



Radio Feed Harness W/Power Antenna:



Power Door Locks And Windows I/P Wiring:



Power Door Locks, Windows And Mirrors W/Keyless Entry:



�%�Rear Window Defogger Wiring:



Dome Lamp Harness:



�N�Dome/Reading Lamp Wiring:



Rear Body Harness (W/Auxiliary A/C):