Curiosii for ever!
: Car repair manuals for everyone.
Home
>>
Chevy Truck
>>
1992
>>
G 10 Van V8-350 5.7L
>>
Repair and Diagnosis
>>
Powertrain Management
>>
Computers and Control Systems
>>
Power Steering Pressure Switch
>>
Locations
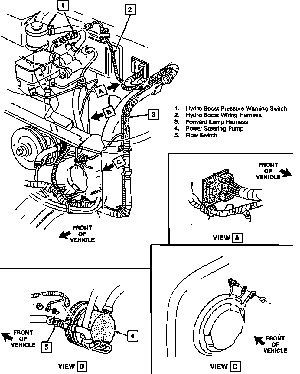
Power Steering Pressure Switch: Locations
Hydro-Boost System Components:
At Power Steering Pump
Applicable to: G Series w/7.4L/V8-454
Hydro-Boost Brake System Components:
At Power Steering Pump
Applicable to: G Series