Curiosii for ever!
: Car repair manuals for everyone.
Home
>>
Chevy Truck
>>
1992
>>
G 10 Van V8-350 5.7L
>>
Repair and Diagnosis
>>
Locations
>>
Component Locations
>>
Modules
>>
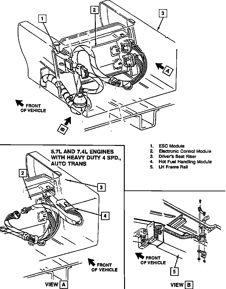
Electronic Spark Control (ESC) Module
Electronic Spark Control (ESC) Module
Lower Steering Column Components:
C-3 System Components:
ECM & Associated Components:
Engine Control Harness Under Driver's Seat Riser
Applicable to: 5.7L/V8-350 G Series